时间:2019-03-16 02:27:27
1、实验题 如图5-1-15所示,将万用表的选择开关置于“欧姆”挡,再将电表的两支表笔与热敏电阻
的两端相连,这时表针恰好指在刻度盘的正中间.若往
上擦一些酒精,表针将向_____________(填“左”或“右”)移动;若用吹风机将热风吹向电阻,表针将向_____________(填“左”或“右”)?移动.?
图5-1-15
参考答案:左 右
本题解析:热敏电阻为负温度系数的特性.若往
上擦一些酒精,由于酒精蒸发吸热,热敏电阻
温度降低,电阻值增大,所以电流减少,指针应向左偏;用吹风机将热风吹向电阻,电阻
温度升高,电阻值减小,电流增大,指针向右偏.
本题难度:简单
2、选择题 如图所示为逻辑电路,根据电路图完成它的真值表.其输出端从上到下排列,结果正确的是( )
A.0,0,1,1
B.0,0,1,0
C.1,0,1,0
D.0,0,0,1
参考答案:B
本题解析:
本题难度:一般
3、选择题 一个门电路的两个输入端A、B与输出端Z的波形如图所示,则可知该门电路是( )
A.“与”门
B.“或”门
C.“与非”门
D.“或非”门
参考答案:C
本题解析:
本题难度:简单
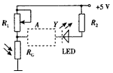
4、选择题 如图所示是室外光控路灯的模拟电路,用发光二极管LED模仿路灯,RG为光敏电阻,R1的最大电阻为51k
,R2为330k
,则下列说法中正确的是
[? ]
A.在图中虚线方框A中应添加的元件为“与门”
B.在图中虚线方框A中应添加的元件为“非门”
C.要想在天更暗时路灯才会亮,应该把R1的阻值调大些
D.通过发光二极管LED的电流,不经过光敏电阻RG
参考答案:BCD
本题解析:
本题难度:一般
5、选择题 如图为监控汽车安全带使用情况的报警电路,S为汽车启动开关,汽车启动时S闭合。RT为安全带使用情况检测传感器,驾驶员系好安全带时RT阻值变大。要求当驾驶员启动汽车但未系安全带时蜂鸣器报警,则在图中虚线框内应接入的元件是( ? )

参考答案:A
本题解析:
本题难度:一般