时间:2019-03-16 02:27:27
1、选择题 下列物理量中可以用气敏传感器来测量的是
A.位移量
B.湿度
C.烟雾浓度
D.湿度
2、简答题 如图所示光控电路用发光二极管LED模仿路灯,RG为光敏电阻,R1的最大阻值51kΩ,R2为330Ω。试分析电路原理;要想在天更黑时路灯才会点亮,应该把R1的阻值调大些还是调小些? 
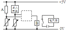
3、选择题 如图所示是为汽车发动机的冷却风扇设计的一个控制电路.要求发动机的点火开关开启,并且温度过高时热敏电阻A阻值变小,B部分就会使得风扇自动开启.以下判断正确的是( )
A.虚线框内的门电路是“或”门
B.虚线框内的门电路是“与”门
C.虚线框内的门电路是“非”门
D.无法判断虚线框内的门电路是哪种门电路
4、简答题 利用超声波遇到物体发生反射,可测定物体运动的有关参量,图5-3-15(a)中仪器A和B通过电缆线连接,B为超声波发射与接收一体化装置,仪器A和B提供超声波信号源而且能将B接收到的超声波信号进行处理并在屏幕上显示其波形.
图5-3-15
现固定装置B,并将它对准匀速行驶的小车C,使其每隔固定时间T0发射一短促的超声波脉冲,如图5-3-15(b)中?幅度较大的波形,反射波滞后的时间已在图中标出,其中T和ΔT为已知量,另外还知道该测定条件下超声波在空气中的速度为v0,根据所给信息求小车的运动方向和速度大小.
5、填空题 (4分)如图所示是一个热水供应系统示意图.当水温低于500C和接触器被水淹没时,会触动继电器(虚线框内)接通开关使电热器开始加热.图中粗线框表示的是?门(选填“或”“与”或“非”),如果希望水温低于600C和接触器被水淹没时,电热器开始加热,则滑动变阻器的阻值应调?.(选填“大”或“小”)