时间:2019-03-15 18:22:02
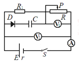
1、选择题 如图电路,C为电容器的电容,D为理想二极管(具有单向导通作用),电流表、电压表均为理想表.闭合开关S至电路稳定后,调节滑动变阻器滑片P向左移动一小段距离,结果发现电压表V1的示数改变量大小为
,电压表V2的示数改变量大小为
,电流表A的示数改变量大小为
,则下列判断正确的有
A.
的值变大
B.
的值变大
C.
的值不变,且始终等于电源内阻r
D.滑片向左移动的过程中,电容器所带的电荷量要不断减少
2、选择题 如图所示的电路中,电源电动势为E,内阻为R,L1和L2为相同的灯泡,每个灯泡的电阻和定值电阻相同,阻值均为R,电压表为理想电表,K为单刀双掷开关,当开关由1位置打到2位置时( )
A.电压表读数将变大
B.L1亮度不变,L2将变亮
C.L1将变亮,L2将变暗
D.电源的发热功率将变大
3、填空题 一面积为S的金属环,其电阻为?r(圆环由均匀导线制成),放在匀强磁场中,磁场方向与圆环所在平面垂直.当匀强磁场的磁感应强度以
| △B △t |
4、选择题 如图所示为闭合电路中两个不同电源的U—I图像,则下列说法中正确的是(? )
A.电动势E1=E2,短路电流I1>I2
B.电动势E1=E2,内阻r1>r2
C.电动势E1>E2,内阻r1>r2
D.当两电源的工作电流变化量相同时,电源2的路端电压变化较大
5、选择题 如图所示,在水平桌面上放置两条相距为l不计电阻的平行光滑导轨ab与cd,阻值为R的电阻与导轨的a、c端相连。质量为m、边长为l、电阻不计的正方形线框垂直于导轨并可在导轨上滑动。整个装置处于方向竖直向上、磁感应强度为B的匀强磁场中。线框通过一不可伸长的轻绳绕过固定在桌边的光滑轻滑轮与一个质量也为m的物块相连,绳处于拉直状态。从静止开始释放物块下落h高度(物块不会触地),重力加速度为g,则
A.电阻R中没有感应电流
B.电阻R中的电流方向为从a到c
C.通过电阻R的电荷量为
D.若h足够大,物块下落的最大速度为