时间:2019-03-15 18:22:02
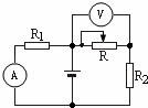
1、选择题 如图所示电路的电源内阻不可忽略,若调整可变电阻R的阻值,可使电压表V的示数增大△U(电压表为理想电表),在这个过程中 
[? ]
A.通过R1的电流增加,增加量一定等于△U/R1
B.R2两端的电压减小,减少量一定等于△U
C.通过R2的电流减小,但减少量一定小于△U/R2
D.路端电压增加,增加量一定等于△U
2、简答题 在图示的电路中,电源电动势E=12V,内阻r=2Ω,R1=10Ω.当滑动变阻器在某一位置时,电路中电压表读数为2V,电流表读数为0.8A.两电表均为理想电表.求R2的阻值.
3、选择题 如图所示电路中,电源内阻不能忽略.闭合S后,调R的阻值,使电压表示数增大△U,在这一过程中,有( )
A.通过R1的电流增大
| △U R1 |
| △U R2 |

4、简答题 如图所示,电源电动势E=6V,电源内阻不计.定值电阻R1=2.4kΩ、R2=4.8kΩ.
(1)若在ab之间接一个C=100μF的电容器,闭合开关S,电路稳定后,求电容器上所带的电量;
(2)若在ab之间接一个内阻RV=4.8kΩ的电压表,求电压表的示数.
5、选择题 两个电池1和2的电动势E1>E2,它们分别向同一电阻R供电,电阻R消耗的电功率相同.比较供电时电池1和2内部消耗的电功率P1和P2电池的效率η1和η2的大小,则有( )
A.P1>P2,η1>η2
B.P1>P2,η1<η2
C.P1<P2,η1>η2
D.P1<P2,η1<η2