时间:2019-03-15 17:21:33
1、简答题 如图(a)所示,半径为r1的圆形区域内有均匀磁场,磁感应强度为B0,磁场方向垂直纸面向里,半径为r2的阻值为R的金属圆环与磁场同心放置,圆环与阻值也为R的电阻R1连结成闭合回路,一金属棒MN与金属环接触良好,棒与导线的电阻不计,
(1)若棒以v0的速率在环上向右匀速滑动,求棒滑过圆环直径的瞬时(如图所示)MN中的电动势和流过R1的电流大小与方向;
(2)撤去中间的金属棒MN,若磁感应强度B随时间t变化的关系图线如图(b)所示,图线与横、纵轴的截距分别为t0和B0,求0至t0时间内通过电阻R1上的电量q及电阻R1上产生的热量.
参考答案:(1)由法拉第电磁感应定律,则有ε=2B0r1v0,
根据欧姆定律,解得:I=εR+R2=2ε3R=4B0r1v03R,方向a→b
(2)由图象分析可知,0至t时间内?△B△t=B0t0
由法拉第电磁感应定律有ε=△φ△t=S△B△t
而S=πr12
由闭合电路欧姆定律有I=ε2R
联立以上各式解得:通过电阻R1上的电流大小为I1=B0πr212Rt0
通过电阻R1的电量q=I1t1=B0πr212R
电阻R1上产生的热量?Q=I12R1t1=B20π2r414Rt0
?答:(1)若棒以v0的速率在环上向右匀速滑动,求棒滑过圆环直径的瞬时(如图所示)MN中的电动势和流过R1的电流大小4B0r1v03R与方向a→b;
(2)撤去中间的金属棒MN,若磁感应强度B随时间t变化的关系图线如图(b)所示,图线与横、纵轴的截距分别为t0和B0,求0至t0时间内通过电阻R1上的电量B0πr212R
及电阻R1上产生的热量B20π2r414Rt0.
本题解析:
本题难度:一般
2、选择题 MN、GH为光滑的水平平行金属导轨,ab、cd为跨在导轨上的两根金属杆,匀强磁场垂直穿过MN、GH所在的平面,则( )
A.若固定ab,使cd向右滑动,则abdc回路有电流,电流方向由a→b→d→c
B.若ab、cd以相同的速度一起向右滑动,则abdc回路有电流,电流方向由c→d→b→a
C.若ab向左、cd向右同时运动,则abdc回路电流为零
D.若ab、cd都向右运动,且两棒速度vcd>vab,则abdc回路有电流,电流方向由c→d→b→a
参考答案:A、若固定ab,使cd向右滑动,由右手定则可判断出A应产生顺时针的电流,故A错误.
B、若ab、cd同向且速度大小相同,ab、cd所围的线圈面积不变,磁通量不变,故不产生感应电流,故B错误.
C、若ab向左,cd向右,ab、cd所围的线圈面积增大,磁通量增大,由楞次定律得知,abdc中有顺时针的电流,故C错误.
D、若ab、cd向右运动,但vcd>vab,则abdc所围面积发生增大,磁通量也发生增大,故由楞次定律可判断出产生由c→d→b→a的电流,故D正确.
故选D
本题解析:
本题难度:简单
3、选择题 在图所示的电路中,电源电动势为E、内电阻为r。将滑动变阻器的滑片P从图示位置向右滑动的过程中,关于各电表示数的变化,下列判断中正确的是(?)
A.电压表V的示数变小
B.电流表A1的示数变小
C.电流表A2的示数变小
D.电流表A的示数变大
参考答案:C
本题解析:滑动变阻器的滑片P从图示位置向右滑动,电路总电阻变大,电路中总电流减小,D错误;电源的内电压减小,则电路外电压变大,A错误;R1上电压变大,则电流变大,B错误;由于总电流减小,A1电流增大,则A2电流减小,C正确
点评:本题应先明确各用电器间的串并联关系,可以先把电表看做理想电表,电流表短接,电压表断路看待,这可以使电路结构变得简单
本题难度:简单
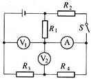
4、计算题 如图所示电路中,电阻R1=8Ω.当电键S断开时,电压表V1的示数为5.7V,电流表的示数为0.75A,电源总功率是9W;当电键S闭合时,电压表V2的不数为4V.若电键断开和闭合时电源内部损耗的电功率之比是9:16,求电源的电动势和电阻R2、R3., 
参考答案:ε=12V,R2=8Ω,R3=3.6Ω
本题解析::(1)电键S断开时 P="EI" 得到E=12V
(2)电键S断开时R3+R4=
=7.6Ω?电键断开和闭合时电源内部损耗的电功率之比是9:16 即
=
而I1="0.75A" 故I2="1A" ?电键S闭合时,R4=
=4Ω?故R3="7.6-4=3.6Ω"
(3)电键S断开时,I=
得r="0.4Ω" ?电键S闭合时I=
?得R2=8Ω
本题难度:简单
5、选择题 一电池外电路断开时的路端电压为3V,接上8Ω的负载电阻后路端电压降为2.4V。则可以判定电池的电动势E和内电阻r为
[? ]
A.E=2.4V,r=lΩ
B.E=3V,r=2Ω
C.E=2.4V,r=2Ω
D.E=3V,r=lΩ
参考答案:B
本题解析:
本题难度:简单