时间:2018-10-13 01:45:29
1、填空题 有两个电阻1和2,它们的阻值随所加电压的变化而改变,从而它们的伏安特性即电压和电流不再成正比关系(这种电阻称为非线性电阻).假设电阻1和电阻2的伏安特性图线分别如图所示.现先将这两个电阻并联,然后接在电动势E=9.0V、内电阻r0=2.0Ω的电源上.试利用题给的数据和图线在题图中用作图法读得所需的数据,进而分别求出电阻1和电阻2上消耗的功率P1和P2.要求:
(1).在题图上画出所作的图线.(只按所画图线评分,不要求写出画图的步骤及理由);
(2).从图上读下所需物理量的数据(取二位有效数字),分别是:
______;
(3).求出电阻R1消耗的功率P1=______,电阻R2消耗的功率P2=______.
参考答案:(1)根据闭合电路欧姆定律U=E-Ir,则知 I=0时,U=E;U=0时,I=Er,所以U-I图象的纵截距等于电源的电动势,横轴截距表示短路电流,根据电源的电动势E=9.0V、内电阻r0=2.0Ω,作出图象所示.
(2)根据功率公式P=UI,要求出电阻消耗的功率,必须读出电压和电流,所以应分别读出并联电阻两端的电压U0=2.3V,通过电阻1的电流I10=1.2A,通过电阻2的电流I20=2.2A.
(3)电阻R1消耗的功率P1=U0I10=2.3×1.2W=2.76W≈2.8W;电阻R2消耗的功率P2=U0I20=2.3×2.2W=5.06W≈5.1W;
故答案为:
(1)作图如图所示.
(2)并联电阻两端的电压U0=2.3V,通过电阻1的电流I10=1.2A,通过电阻2的电流I20=2.2A
(3)2.8W,5.1 W.
本题解析:
本题难度:简单
2、选择题 如图所示,A、B间的电压是60V,改变滑动变阻器触头的位置,可以改变CD间的电压,UCD的变化范围是( )
A.0~20V
B.0~40V
C.20~40V
D.20~60V
参考答案:C
本题解析:
本题难度:简单
3、选择题 如图所示的电路中,电源的电动势E和内电阻r恒定不变,电灯L恰能正常发光,如果变阻器的滑片向b端滑动,则( )
A.电灯L更亮,安培表的示数减小
B.定值电阻R2消耗的功率增大
C.变阻器R1两端的电压增大
D.电灯L变暗,安培表的示数增大
参考答案:A、D变阻器的滑片向b端滑动,变阻器接入电路的电阻增大,外电路总电阻增大,则总电流I减小,路端电压U增大,则电灯L更亮,安培表的示数减小.故A正确,D错误.
B、路端电压U增大,则通过电灯L的电流增大,而总电流I减小,所以通过R2的电流减小,R2消耗的功率减小.故B错误.
C、路端电压U增大,R2的电压减小,则变阻器R1两端的电压增大.故C正确.
故选AC
本题解析:
本题难度:简单
4、实验题 某同学利用图a所示的电路研究“外电路电阻变化与外电路消耗功率的关系”。电压表与电流表可视为理想电表。当滑动变阻器的阻值改变时,电压表与电流表示数也会随之改变。
(1)某同学在实验中测出了6组数据,如下表所示,请在图b中的坐标纸上画出电压随电流变化的U-I图线。
| I(A) | 0.80 | 1.20 | 1.60 | 2.00 | 2.40 | 2.80 |
| U(V) | 2.60 | 2.40 | 2.20 | 2.00 | 1.80 | 1.60 |


参考答案:(1)如图b
(2)4.5 W;0.5 Ω。
(3)
本题解析:
解:(1)根据表格中的数据画出外电路电阻的伏安特性曲线图如下所示。
(2)根据实验得到的U-I图像,当外电阻流过的电流为
时,其两端电压为
,可知滑动变阻器在电路中消耗的最大功率是
,
此时电阻为
;
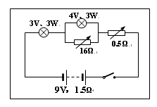
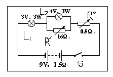
(3)根据题意,两灯泡同时正常工作,且电路总功率最小的电路图如下所示,
两个小灯泡L1、L2,它们分别标有“4V、3W”、“3V、3W”的字样。若要使两灯泡同时正常工作,此时灯L1流过的电流
,灯L2流过的电流
,根据串并联电路电压知识可知灯泡L1、L2?应选择串联,电路电流
,但是又要保证电路总功率最小,则灯
应和一个电阻箱并联,让电阻箱
分担灯
的多余电流
,而此时电路路端电压为7.0V,根据上面分析一个电源的电动势为3.0V,因此应串联3个这样的电源,所以本题电源电动势为
,内阻为
,电源内阻r两端的电压为
,
所以还需要串联一个电阻箱
分担剩下的电压
,综上分析可得:
电阻箱
的电阻为
,
电阻箱
的电阻
,
本题难度:一般
5、简答题 在空间的部分区域中有一水平方向的匀强磁场,磁场的边界如图中的虚线所示.有一矩形线框abcd可以绕竖直的转动轴OO′匀角速转动,OO′恰好与磁场边界重合.在初始时刻,线框平面与磁场方向平行.已知磁场的磁感强度为B,线框ab边的长度为l,bc边的长度为2l,整个线框的电阻为R,线框转动的角速度为ω,试求:
(1)线框位于图示位置时,线框中的感应电动势为多大?
(2)此时,线框ad边流过的感应电流为多大?
参考答案:(1)根据法拉第电磁感应定律,在图示位置,线框中的感应电动势为bc边切割磁感线产生的电动势,即E=BLv
由题可知,bc边的长度L=2l,bc边的速度v=lω,
因此,得? E=2Bl2ω
(2)根据闭合电路的欧姆定律,此时,线框中的瞬时感应电流为电路的总电流,即?I=ER=2Bl2ωR
答:(1)线框位于图示位置时,线框中的感应电动势为E=2Bl2ω;
(2)此时,线框ad边流过的感应电流为2Bl2ωR.
本题解析:
本题难度:一般