时间:2018-10-13 01:45:29
1、填空题 有两个电阻1和2,它们的阻值随所加电压的变化而改变,从而它们的伏安特性即电压和电流不再成正比关系(这种电阻称为非线性电阻).假设电阻1和电阻2的伏安特性图线分别如图所示.现先将这两个电阻并联,然后接在电动势E=9.0V、内电阻r0=2.0Ω的电源上.试利用题给的数据和图线在题图中用作图法读得所需的数据,进而分别求出电阻1和电阻2上消耗的功率P1和P2.要求:
(1).在题图上画出所作的图线.(只按所画图线评分,不要求写出画图的步骤及理由);
(2).从图上读下所需物理量的数据(取二位有效数字),分别是:
______;
(3).求出电阻R1消耗的功率P1=______,电阻R2消耗的功率P2=______.
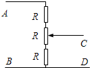
2、选择题 如图所示,A、B间的电压是60V,改变滑动变阻器触头的位置,可以改变CD间的电压,UCD的变化范围是( )
A.0~20V
B.0~40V
C.20~40V
D.20~60V
3、选择题 如图所示的电路中,电源的电动势E和内电阻r恒定不变,电灯L恰能正常发光,如果变阻器的滑片向b端滑动,则( )
A.电灯L更亮,安培表的示数减小
B.定值电阻R2消耗的功率增大
C.变阻器R1两端的电压增大
D.电灯L变暗,安培表的示数增大
4、实验题 某同学利用图a所示的电路研究“外电路电阻变化与外电路消耗功率的关系”。电压表与电流表可视为理想电表。当滑动变阻器的阻值改变时,电压表与电流表示数也会随之改变。
(1)某同学在实验中测出了6组数据,如下表所示,请在图b中的坐标纸上画出电压随电流变化的U-I图线。
| I(A) | 0.80 | 1.20 | 1.60 | 2.00 | 2.40 | 2.80 |
| U(V) | 2.60 | 2.40 | 2.20 | 2.00 | 1.80 | 1.60 |


5、简答题 在空间的部分区域中有一水平方向的匀强磁场,磁场的边界如图中的虚线所示.有一矩形线框abcd可以绕竖直的转动轴OO′匀角速转动,OO′恰好与磁场边界重合.在初始时刻,线框平面与磁场方向平行.已知磁场的磁感强度为B,线框ab边的长度为l,bc边的长度为2l,整个线框的电阻为R,线框转动的角速度为ω,试求:
(1)线框位于图示位置时,线框中的感应电动势为多大?
(2)此时,线框ad边流过的感应电流为多大?