时间:2018-10-02 04:26:48
1、选择题 如图所示,图中“×”表示磁感线的方向垂直纸面向里,当导体ab向左运动时,(ab与cd、ef的接触处都能通电),小磁针( )
A.一定转动
B.一定不转动
C.可能转动,也可能不转动
D.无法判断
参考答案:A
本题解析:导体ABCDA组成一个闭合电路,根据感应电流产生条件可得,导体AB向左运动时切割磁感线运动,有感应电流产生,当这个电流通过螺线管时,管内产生磁场,通电螺线管附近的磁场对小磁针作用,使其发生转动,故A正确
考点:考查了感应电流产生条件
本题难度:一般
2、选择题 在倾角为
的两平行光滑长直金属导轨的下端,接有一电阻
,导轨自身的电阻可忽略不计,有一匀强磁场与两金属导轨平面垂直,方向垂直于导轨面向上。质量为
,电阻可不计的金属棒
,在沿着导轨面且与棒垂直的恒力
作用下沿导轨匀速上滑,上升高度为
,如图所示。则在此过程中(?)
A.恒力F在数值上等于
B.恒力
对金属棒
所做的功等于
C.恒力F与重力的合力对金属棒
所做的功等于电阻
上释放的焦耳热
D.恒力F与重力的合力对金属棒
所做的功等于零
参考答案:C
本题解析:因为导体棒匀速,拉力F等于安培力与重力沿斜面向下的分力之和,A错;拉力F所做的功等于重力势能的增量与焦耳热之和,B错;由动能定理可知C对;D错;
本题难度:一般
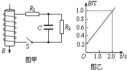
3、计算题 在如图甲所示的电路中,螺线管匝数n=1500匝,横截面积S=20cm2。螺线管导线电阻r=1.0Ω,R1=4.0Ω,R2=5.0Ω,C=30μF。在一段时间内,穿过螺线管的磁场的磁感应强度B按如图乙所示的规律变化。求:
(1)求螺线管中产生的感应电动势;
(2)闭合S,电路中的电流稳定后,求电阻R1的电功率;
(3)S断开后,求电容器放电过程中流经R2的电流方向和电量q。 
参考答案:解:(1)根据法拉第电磁感应定律
求出E=1.2V
(2)根据全电路欧姆定律
根据
求出P=5.76×10-2W
(3)S断开后,流经R2的电量即为S闭合时C板上所带的电量Q
电容器两端的电压U=IR2=0.6V
流经R2的电量Q=CU=1.8×10-5C,电流方向向上
本题解析:
本题难度:困难
4、选择题 如图所示,将一线圈放在一匀强磁场中,线圈平面平行于磁感线,则线圈中有感应电流产生的是( )
A.当线圈绕N边转动
B.当线圈绕M边转动
C.将线圈垂直纸面向外运动
D.将线圈平行纸面向右运动
参考答案:B
本题解析:
本题难度:一般
5、选择题 矩形导线框abcd放在匀强磁场中静止不动,磁场方向与线圈平面垂直,磁感应强度B随时间t变化的图象如图甲所示。设t=0时刻,磁感应强度的方向垂直纸面向里,则在0~4s时间内,图乙中能正确反映线框中感应电流i随时间t变化的图象是(规定电流顺时针方向为正)
[? ]
A.
B.
C.
D.
参考答案:A
本题解析:
本题难度:一般