时间:2018-10-01 02:14:38
1、实验题 从下表中选出适当的实验器材,设计一电路来测量电流表A1的内阻r1,要求方法简捷,有尽可能高的测量精度,并能测出多组数据。
(1)画出电路图,标明所用器材的代号。
(2)若选测量数据中的一组来计算r1,则所用的表达式为r1= ?,式中各符号的意义是:?。
| 器材(代号) | 规格 |
| 电流表(A1) | 量程10mA、内阻r1待测(约40Ω) |
| 电流表(A2) | 量程500μA、内阻r2=750Ω |
| 电压表(V) | 量程10V、内阻r3=10kΩ |
| 电阻(R1) | 阻值约为100Ω、做保护电阻用 |
| 滑动变阻器(R2) | 总阻值约为50Ω |
| 电源(E) | 电动势1.5V、内阻很小 |
| 开关(S2)、电线若干 | ? 2、实验题 (1)如图是多用表的刻度盘,当选用量程为50mA的电流档测量电流时,表针指于图示位置,则所测电流为_____mA;若选用倍率为“×100”的电阻档测电阻时,表针也指示在图示同一位置,则所测电阻的阻值为_______Ω。如果要用此多用表测量一个约2.0×104Ω的电阻,为了使测量比较精确,应选的欧姆档是_________(选填“×10”、“×100”或“×1K”)。换档结束后,实验操作上首先要进行的步骤是____________。 |


3、实验题 在“描绘小灯泡的伏安特性曲线”的实验中,某同学测得电流一电压的数据如下表所示: 
(1)用上表数据描绘电压随电流的变化曲线;
(2)为了探究灯丝电阻与温度的关系,已作出电阻随电流的变化曲线如图所示;请指出图线的特征,并解释形成的原因。 
4、实验题 (1)利用油膜法估测油酸分子的大小,实验器材有:浓度为0.05%(体积分数)的油酸酒精溶液、最小刻度为0.1ml的量筒、盛有适量清水的45×50cm2浅盘、痱子粉、橡皮头滴管、玻璃板、彩笔、坐标纸。则:
①下面给出的实验步骤中,正确顺序为:?。
A.将玻璃板放在浅盘上,用彩笔将油酸薄膜的形状画在玻璃板上?。
B.用滴管将浓度为0.05%油酸酒精溶液一滴一滴地滴入量筒中,记下滴入1ml油酸酒精溶液时的滴数N
C.将画有油酸薄膜轮廓的玻璃板放在坐标纸上,以坐标纸上边长为1cm的正方形为单位,计算轮廓内正方形的个数,算出油酸薄膜的面积S
D.将痱子粉均匀地撒在浅盘内水面上,用滴管吸取浓度为0.05%的油酸酒精溶液,从低处向水面中央一滴一滴地滴入,直到油酸薄膜有足够大的面积又不与器壁接触为止,记下滴入的滴数n
②该实验测得的单个油酸分子的直径约为?(单位:cm)。
A.
? B.
?C.
? D.
(2)某同学做描绘小灯泡(额定电压为3.8V,额定电流为0.32A)的伏安特性曲线实验,实验室提供的实验器材如下:(本实验要求小灯泡的电压从零开始调至额定电压)
直流电源的电动势为4V(内阻不计)、?电压表V(量程4V,内阻约为5kΩ)、
电流表A1(量程0.6A,内阻约为4Ω)、?电流表A2(量程3A,内阻约为1Ω)、
滑动变阻器R1(0到1000Ω,0.5A)、?滑动变阻器R2(0到10Ω,2A)、
开关、导线若干.
①若该同学误将电流表和电压表接成如图甲所示的电路,其他部分连接正确,接通电源后,以下说法正确的是:__________
A.小灯泡将发光? B.小灯泡几乎不亮
C.V表不会烧坏? D.A表将会烧坏
②在正确的电路中,电流表应该选_______,滑动变阻器应 该选________。请把图乙中的器材根据实验要求连接成实验电路。
③该同学按照正确的电路图和正确的实验步骤,描出的伏安特性曲线如图丙所示,从图中可知小灯泡的阻值随小灯泡两端的电压的增大而_________(填增大、减小、先增大后减小、先减小后增大),当给小灯泡加电压3.2V时,此时小灯泡的发热功率为__________W(结果取2位有效数字)。
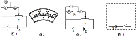
5、填空题 某校物理课外研究小组的同学拟探究小灯泡L的伏安特性曲线,可供选用的器材如下:
小灯泡L,规格“4.0V,0.7A”;电流表A1,量程3A,内阻约为0.1Ω;电流表A2,量程0.6A,内阻r2=0.2Ω;电压表V,量
程3V,内阻rV=9kΩ;标准电阻R1,阻值1Ω;标准电阻R2,阻值3kΩ;滑动变阻器R3,阻值范围0~10Ω;滑动变阻器R4,阻
值范围0~1kΩ;学生电源E,电动势6V,内阻不计;开关S及导线若干.
①甲同学设计了如图1所示的电路来进行测量,当L两端的电压为2.30V时,电流表的示数如图2所示,此时L的电阻为______Ω.
②乙同学又设计了如图3所示的电路来进行测量,当小灯泡L正常发光时,电压表指针指在表盘______V的位置上.
③研究小组认为要想更准确地描绘出灯泡L电压从0开始变化的伏安特性曲线,需要重新设计电路.电流表应该选择______,滑动变阻器应选择______,在图4所示的虚线框内画出实验电路图,并在图上标明所选器材代号.