时间:2018-10-01 02:09:50
1、选择题 如图所示,真空中的匀强电场与水平方向成15°角,AB直线垂直匀强电场E,现有一质量为m、电荷量为+q的小球在A点以初速度大小v0方向水平向右抛出,经时间t小球下落到C点(图中未画出)时速度大小仍未v0,则小球由A点运动到C点的过程中,下列说法不正确的是(? )
A.电场力对小球做功为零
B.小球的机械能减小量为
C.小球的电势能减小
D.C一定位于AB直线的右侧
参考答案:ABC
本题解析:小球受到自身重力
和电场力
作用,合力
如下图所示斜向左下方,小球从A点到C点速度大小没有变化,说明合外力没有做功,即初末位置都在与合力垂直的同一条线上,据此判断如下图,电场力做负功,选项A错。电势能增大,选项C错。由于AC与合力F垂直,所以C点一定位于AB直线的右侧,选项D对,小球机械能减小量等于克服电场力做功,根据动能定理,克服电场力做功等于重力做功,但竖直方向不但受到自身重力还有电场力竖直向下的分力,竖直方向加速度大于
,所以竖直方向位移大于
,重力做功即克服电场力做功大于
,选项B错。
本题难度:一般
2、选择题 如图所示,在水平台面上的A点,一个质量为m的物体以初速度
| 1 2 |
| 1 2 |
| 1 2 |

参考答案:不计空气阻力,只有重力做功,从A到B过程,
由动能定理可得:EKB-12mv02=mgh,EKB=12mv02+mgh;
故选B.
本题解析:
本题难度:一般
3、选择题 如图所示,一个由绝缘材料制成的轻弹簧水平放置,一端固定于竖直墙上,另一端与一带负电的小球相连,小球置于光滑的绝缘水平面上.当整个装置处于水平向左的匀强电场中时,振子在O点处于平衡状态,在B、C两点间振动.假定在振动过程中小球的电量保持不变,则( )
A.小球在由B到O的过程中,弹性势能和电势能减少,动能增加
B.小球在由O到C的过程中,弹性势能增加,电势能和动能减少
C.小球在由B经O到C的过程中,电势能的变化量和弹性势能的变化量大小相等
D.小球在由C到O的过程中,电势能的变化量和弹性势能的变化量大小相等
参考答案:A、小球做简谐运动,O点是平衡位置,此处弹簧伸长,则知小球所受的电场力方向向右,则小球在由B到O的过程中,电场力做功负功,电势能增加,弹性减小,平衡位置动能最大,则知小球的动能减小.故A错误.
B、小球在由O到C的过程中,弹簧伸长量增大,弹性势能增加,电场力做正功,电势能减小,合力向左,做负功,则动能减小.故B正确.
C、小球在由B经O到C的过程中,动能的变化量为零,根据能量守恒得知,电势能的变化量和弹性势能的变化量大小相等.故C正确.
D、小球在由C到O的过程中,动能减小,弹性势能增加,电势能减小,由能量守恒得知,电势能的变化量大小小于弹性势能的变化量大小.故D错误.
故选BC
本题解析:
本题难度:一般
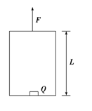
4、填空题 (4分) 如图所示,木箱高为L,其底部有一个小物体Q(可视为质点),现用力竖直向上拉木箱,使木箱由静止开始向上运动.若保持拉力的功率不变,经过时间t,木箱达到最大速度,这时让木箱突然停止,小物体会继续向上运动,且恰能到达木箱顶端.已知重力加速度为g,不计空气阻力,则木箱的最大速度为?.时间t内木箱上升的高度为?.
参考答案:
?
本题解析::设木箱和小物体的总质量为M.当木箱达到最大速度时,拉力F=Mg,设最大速度为v,木箱达到最大速度,这时让木箱突然停止,小物体会以最大速度V继续向上做匀减速运动,且恰能到达木箱顶端。由v2=2gL,得:
,对整体应用动能定理:
,而
,代入上式得:
,解得:
本题难度:一般
5、简答题 如图16所示是2008年北京奥运会上我国某优秀运动员跳水运动员在跳台上腾空而起的英姿,跳台距水面高度为10m,此时她恰好到达最高位置,估计此时她的重心离跳台台面的高度为1m,当她下降到手触及水面时双手伸直,双手做一个翻掌压水花的动作。这时她的重心离水面大约也是1m,若从最高点到手触及水面的过程中其重心看作自由落体运动,那么:入水之后,她的重心能下沉到离水面约2.5m处,试估算水对她的阻力约是重力多少倍?
参考答案:5.4
本题解析:运动员从起跳到触水的过程中,由动能定理得:
从触水到速度减为零的过程中,由动能定理得:
解之得:
本题难度:简单