时间:2018-10-01 01:54:30
1、选择题 在我们的生活中所使用电能一般以交流电居多,关于交流电下列说法正确的是( ?)
A.交流电器设备上所标的电压和电流值是交流电的峰值
B.用交流电流表和电压表测定的读数值是交流电的瞬时值
C.给定的交流数值,在没有特别说明的情况下是指有效值
D.跟交变电流有相同的热效应的直流电的数值是交流电的有效值
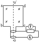
2、简答题 如图所示,abcd是交流发电机的矩形线圈,ab=30cm,bc=10cm,共50匝,它在B=0.8T的匀强磁场中绕中心OO′顺时针方向匀速转动,转速为480r/min,线圈的总电阻为r=1Ω,外电阻为R=3Ω,试求:
(1)线圈从图示位置转过
| 1 4 |

3、选择题 某交流电的电动势瞬时值表达式e=220sin10πt?V,关于该交流电和发电机的线圈,下列说法正确的是( )
A.该交流电的频率为10Hz
B.当t=0时,线圈平面与磁感线平行
C.当t=
s时,e有最大值
D.电动势的有效值为220V
4、计算题 交变电流的电压表达式为u=20sin314t V,求这个交变电 流电压的最大值Um、有效值U、周期T、频率f,画出交变电流的u一t图象。
5、选择题 交变电流u=50sin100πt(V)的( )
A.周期为100s
B.频率为50Hz
C.电压峰值为50
| 2 |