时间:2018-10-01 01:06:16
1、选择题 如图所示,粗细均匀的电阻为r的金属圆环,放在图示的匀强磁场中,磁感强度为B,圆环直径为L,另一长为L,电阻为r/2的金属棒ab放在圆环上,接触电阻不计。当ab棒以v0向左运动到图示虚线位置时,金属棒两端电势差为( ? )

2、简答题 如图所示,平行且足够长的两条光滑金属导轨,相距0.5m,与水平面夹角为30°,不计电阻,广阔的匀强磁场垂直穿过导轨平面,磁感应强度B=0.4T,垂直导轨放置两金属棒ab和cd,长度均为L=0.5m,电阻均为R=0.1Ω,质量均为m=0.2kg,两金属棒与金属导轨接触良好且可沿导轨自由滑动.现ab棒在外力作用下,以恒定速度v1=2m/s沿着导轨向上滑动,cd棒则由静止释放,试求:(取g=10m/s2)
(1)金属棒ab产生的感应电动势E1;
(2)金属棒cd开始运动的加速度a和最终速度v2.
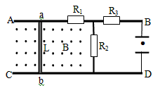
3、计算题 在竖直面内有两平行金属导轨AB、CD,间距为L,金属棒ab可在导轨上无摩擦地滑动棒与导轨垂直,并接触良好。它们的电阻均可不计。导轨之间有垂直纸面向外的匀强磁场,磁感强度为B。导轨右边与电路连接。电路中的三个定值电阻R1、R2、R3阻值分别为2R、R和0.5R。在BD间接有一水平放置的平行板电容器C,极板间距离为d。
(1)?当ab以速度v0匀速向左运动时,电容器中质量为m的带电微粒恰好静止。试判断微粒的带电性质,及带电量的大小。
(2)?当ab棒以某一速度沿导轨匀速运动时,发现带电微粒从两极板中间由静止开始向下运动,历时t = 2×10-2 s到达下极板,已知电容器两极板间距离d = 6×10-3m,求ab棒的速度大小和方向。
(g =10m/s2) 
4、选择题 【2012?武汉联考】A、B两闭合圆形导线环用相同规格的导线制成,它们的半径之比rA∶rB=2∶1,在两导线环包围的空间内存在一正方形边界的匀强磁场区域,磁场方向垂直于两导线环的平面,如图所示.当磁场的磁感应强度随时间均匀增大的过程中,求两导线环内所产生的感应电动势之比和流过两导线环的感应电流的电流之比.?
A.?
?B.
? C.
? D.
5、选择题 如图所示,相距为L的光滑平行金属导轨ab、cd放置在水平桌面上,阻值为R的电阻与导轨的两端a、c相连。滑杆MN质量为m,垂直于导轨并可在导轨上自由滑动,不计导轨、滑杆以及导线的电阻。整个装置放于竖直方向的范围足够大的匀强磁场中,磁感应强度的大小为B。滑杆的中点系一不可伸长的轻绳,绳绕过固定在桌边的光滑轻滑轮后,与另一质量也为m的物块相连,绳处于拉直状态。现将物块由静止释放,当物块达到最大速度时,物块的下落高度
,用g表示重力加速度,则在物块由静止开始下落至速度最大的过程中
[? ]
A.物块达到的最大速度是
B.通过电阻R的电荷量是
C.电阻R放出的热量为
D.滑杆MN产生的最大感应电动势为