时间:2018-03-18 09:28:59
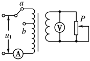
1、选择题 如图所示,理想变压器原、副线圈的匝数比为10∶1,b是原线圈的一个抽头,电压表和电流表均为理想电表,从某时刻开始在原线圈两端加上交变电压u1,其瞬时值表达式为u1=220
sin 100πt(V).现把单刀双掷开关与a连接,则( )
A.电压表的示数为22 V
B.流过滑动变阻器电流的方向每秒改变100次
C.在滑动变阻器触头P向上移动的过程中,电压表和电流表的示数均变大
D.若把开关由a拨向b,滑动变阻器不动,则电压表示数变大,电流表的示数变小
参考答案:AB
本题解析:原线圈两端电压的有效值为220 V,匝数比为10:1,则电压表的示数为22 V,选项A正确。原线圈电流的频率是50 Hz,副线圈也是这个频率,一个周期内电流方向改变2次,因此选项B正确。在滑动变阻器触头P向上移动的过程中,原线圈两端电压不变,副线圈两端电压也不变,电压表示数不变,滑动变阻器的阻值变小,电流变大,根据功率关系,导致原线圈中电流也变大,电流表示数变大,选项C错误。若把开关由a扳向b时,匝数比变小,电压表示数变大,滑动变阻器不动,副线圈中电流变大,则原线圈中的电流变大,电流表的示数变大,选项D错误。
本题难度:一般
2、选择题 如图甲所示,理想变压器原、副线圈的匝数比为55:9,副线圈接有一灯泡L和一电阻箱R,原线圈所接电源电压按图乙所示规律变化,此时灯泡消耗的功率为40W,则下列说法正确的是
A.副线圈两端输出电压为36V
B.原线圈中电流表示数为
A
C.当电阻R增大时,变压器的输入功率减小
D.原线圈两端电压的瞬时值表达式为
V
参考答案:ACD
本题解析:交变电流图象的周期为0.02s,角速度
,因此原线圈两端电压的瞬时值表达式为
V,D正确;根据
,而从交流电的图象可知,输入电压的有效值
,因此副线圈两端输出电压为36V,A正确;,电阻与灯并联,消耗的总功率大于40W,由于变压器是理想变压器,因此输入功率也大于40W,因此,输入电流
因此B错误;当电阻R增大时,副线圈回路总电阻增加,而电压不变,消耗的功率减少,因此变压器的输入功率减小,C正确
本题难度:一般
3、选择题 一个探究性学习小组利用示波器,绘制出了一个
原、副线圈匝数比为2∶1的理想变压器,副线圈两
端输出电压u随时间t变化的图象如图所示
(图线为正弦曲线)。
则下列说法错误的是?
A.该变压器原线圈输入电压的瞬时值表达式为u=20sin(100
t)V
B.接在副线圈两端的交流电压表的示数为7.1V
C.该变压器原线圈输入频率为50 Hz
D.接在副线圈两端阻值为20 Ω的白炽灯,消耗的功率为2.5W
参考答案:AC
本题解析:考点:
专题:交流电专题.
分析:根据瞬时值的表达式可以求得输出电压的有效值、周期和频率等,再根据电压与匝数成正比即可求得结论.
解答:解:A、由图象可知,周期为
,则角速度
,根据电压与匝数成正比可得,输入电压的最大值为20V,所以该变压器原线圈输入电压的瞬时值表达式为u=20sin(50
t)V,故A错误
B、接在副线圈两端的交流电压表的示数为有效值:
V=7.1V,故B正确
C、该变压器原线圈输入频率为:
Hz,故C错误
D、副线圈上仅接入一个阻值为20的白炽灯,所以副线圈的电流为
,消耗的功率为:P=UI=
×
,所以D正确.
因为本题选错误的,故选AC.
点评:掌握住理想变压器的电压、电流之间的关系,最大值和有效值之间的关系即可解决本题.
本题难度:一般
4、选择题 如图,一只理想变压器的原、副线圈的匝数比是10:1,原线圈接入u=220
sin100πt(V)的正弦交流电,一只理想二极管和一个阻值为10Ω的电阻R串联接在副线圈上。则

[? ]
s时刻,电压表示数为11
V
V 参考答案:BCD
本题解析:
本题难度:一般
5、选择题&nbs p; 如图所示,与理想变压器相连的四只灯泡相同,变压器原、副线圈的匝数比为3:1,接在副线圈上的三只灯泡正常发光。则对于串联在原线圈上的灯泡A 
[? ]
A.比正常发光时的亮度更大
B.也能正常发光
C.比正常发光时的亮度更暗
D.无法判断其亮度情况
参考答案:B
本题解析:
本题难度:一般