时间:2018-03-18 09:28:59
1、选择题 利用如图4所示的电流互感器可以测量被测电路中的大电流,若互感器原副线圈的匝数比
,交流电流表A的示数是50mA则 (?)
A.被测电路的电流有效值为
B.被测电路的电流平均值为
C.被测电路的电流最大值为
D.原副线圈中的电流同时达到最大值
2、选择题 一个理想变压器的线圈绕向如图甲所示。右线圈输入电流i,i - t图象如图乙所示,第1s内电流方向如甲图,则下列判断正确的是?
甲? 乙
[? ]
A.通过灯泡中的电流是恒定电流?
B.通过灯泡中的电流方向交替变化,周期为4s?
C.第1s内变压器铁芯中磁通量的变化率时刻相同?
D.第2s内,灯泡中的电流方向从下到上
3、选择题 如图所示,理想变压器原、副线圈的匝数比为10:1,b是原线圈的中心抽头,电压表和电流表均为理想电表,从某时刻开始在原线圈c,d两端加上交变电压,其瞬时值表达式为
当单刀双掷开关与a连接时,下列判断正确的是
[? ]
A.电压表V2的示数为22 V
B.当
s时,电压表V1的示数为220 V
C.在滑动变阻器触头P向上移动的过程中,电压表V2示数增大,电流表示数变小
D.若将单刀双掷开关由a扳向b,电压表V2和电流表的示数均变小
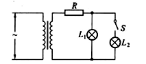
4、选择题 如图所示,理想变压器副线圈通过导线接两个相同的灯泡L1和L2。导线的等效电阻为R。现将原来断开的开关S闭合,若变压器原线圈两端的电压保持不变,则下列说法中正确的是?(?)

A.副线圈两端的电压不变
B.通过灯泡L1的电流增大
C.原线圈中的电流减小
D.变压器的输入功率减小
5、选择题 如下图所示,足够长的光滑导轨ab、cd水平置于竖直向下的匀强磁场中,变压器为理想变压器。现用水平向右的恒力F使金属杆MN从静止开始向右运动。下列说法正确的是(?)
A.通过线圈n1的电流为直流电且方向从a到c
B.电阻R始终没有电流
C.电阻R先有电流后没有电流
D.杆MN做匀加速运动