时间:2018-03-18 09:00:54
1、选择题 下列说法正确的是
A.宾馆自动门是利用温度传感器
B.电视遥控利用的紫外线
C.串联电路中热功率越大的电阻越小
D.电容的国际单位单位是法拉
参考答案:D
本题解析:
本题难度:困难
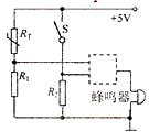
2、选择题 如图为监控汽车安全带使用情况的报警电路,S为汽车启动开关,汽车启动时S闭合。RT为安全带使用情况检测传感器,驾驶员系好安全带时RT阻值变大。要求当驾驶员启动汽车但未系安全带时蜂鸣器报警,则在图中虚线框内应接入的元件是( ? )

参考答案:A
本题解析:
本题难度:一般
3、填空题 电信号通常分为两类:一类是电压随时间连续变化的模拟信号,另一类是电压随时间不连续变化的数字信号,图(甲)中的信号是______信号.现有一个简单的逻辑电路,在两个输入端A、B输入一定的电压信号后,在其输出端Z输出了如图(乙)所示的波形,由此可以判断,该门电路是______.
参考答案:由图甲可知,电压信号随时间连续变化,因此该信号是模拟信号;
由图乙所示可知,输入信号一个是高电势,一个是低电势时,
输出信号是高电势,即输入是“0”与“1”时,输出是“1”;
当输入是“0”与“0”时,输出“0”,输入是“1”与“1”时,
输出是“1”因此该门电路是“或”门.
故答案为:模拟;“或”门.
本题解析:
本题难度:一般
4、选择题 某实验爱好者设计了模拟路灯光控电路,利用光敏电阻作为光传感器,配合使用斯密特触发器来控制电路,他设计的电路如图,他所使用的斯密特触发器的输入端信号?(“可以”或“不可以”)连续变化,为了更加节能,让天色更暗时,路灯点亮,应将R1?一些(“增大”或“减小”)
参考答案:可以?、?增大
本题解析:
由题干中,斯密特触发器的电压受RG两端电压控制,因此输入端点也可以连续可调;天更暗时光敏电阻的阻值更大,要使路灯不亮,光敏电阻分担的电压应较小,即让输入端为低电势,此时应该把
的阻值调大些考点:
点评:解决本题的关键掌握非门的特点:输出与输入相反.
本题难度:简单
5、选择题 一个门电路的两个输入端A、B与输出端Z的波形如图所示,则该门电路是 ( ? )
A.“与”门
B.“或”门?
C.“与非”门
D.“或非”门
参考答案:C
本题解析:
本题难度:简单