时间:2018-03-18 09:00:54
1、选择题 如图所示的自动控制电路中含有一逻辑电路A,L为小灯泡.光照射光敏电阻R'时,其阻值迅速减小,则在该控制电路中
A.A是非门,当R'受到光照时,它输入高电平输出低电平
B.A是或门,当R'受到光照时,它可以使得L发光
C.增大可变电阻R的阻值,可使R'受到光照时L更容易发光
D.可变电阻R对L是否发光没有控制作用
参考答案:C
本题解析:分析:A是非门,光照射光敏电阻R′时,其阻值迅速减小,两端间的电势差非常小,则输入门电路的是低电平,输出是高电平,灯泡亮,增大可变电阻,光敏电阻的阻值相对变小,电路的灵敏度增强,R′受到光照时L更容易发光.
解答:解:A、A是非门,光照射光敏电阻R′时,其阻值迅速减小,两端间的电势差非常小,则输入门电路的是低电平,输出是高电平.故A、B错误.
C、光照射光敏电阻R′时,输出是高电平,灯泡发光.若增大可变电阻,光敏电阻在光照的情况下更相对变小,输入端更容易得到低电平,输出端更易得到高电平,即灯泡更容易发光.故C正确,D错误.
故选C.
点评:解决本题的关键掌握非门的符号及特点,输入状态和输出状态完全相反.
本题难度:一般
2、选择题 不定项选择
逻辑电路的信号有两种状态:一是高电位状态,用“1”表示;另一种是低电位状态,用“0”表示。关于这里的“1”和“0”下列说法正确的是( ? )
A.“1”表示电压为1V,“0”表示电压为0V
B.“1”表示电压为大于或等于1V,“0”表示电压一定为0V
C.“1”和“0”是逻辑关系的两种可能的取值,不表示具体的数字
D.“1”表示该点与电源的正极相连,“0”表示该点与电源的负极相连
参考答案:C
本题解析:
本题难度:简单
3、选择题 在如图所示的逻辑电路中,其真值表的“输出”这一列数据从上到下依次为( )

参考答案:B
本题解析:
本题难度:简单
4、填空题 如图所示,将两个“非”门和一个“与”门组成一个复合门电路,请在下表中填写该门电路的真值表.
| 输入 | 输出 A B Y 1 0 1 1 0 1 0 0 | |

参考答案:当A、B的输入为1,0,则输入与门为0,1,所以输出Y为0.当A、B的输入为1,1,则输入与门为0,0,所以输出Y为0.当A、B的输入为0,1,则输入与门为1,0,所以输出Y为0.当A、B的输入为0,0,则输入与门为1,1,所以输出Y为1.
故本题答案为:0,0,0,1.
本题解析:
本题难度:一般
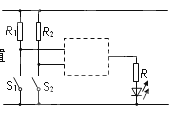
5、选择题 右图是一个电工应用某种逻辑电路制作的简单车门报警电路图。 图中的两个按钮开关分别装在汽车的两道门上。只要其中任何一个开关处于开路状态,发光二极管就发光。请你根据报警装置的要求,在电路图的虚线框内应是何种电路?(?)
A.与门
B.或门
C.非门
D.与非门
参考答案:B
本题解析:要使发光二极管发光,门电路的输出端应该是高电平。又根据“只要其中任何一个开关处于开路状态,发光二极管就发光”,可知只要其中任何一个开关断开,即输入高电平时,输出就是高电平,只有或门(有1是1,无1是0的真值表规律)采用这个特点,因此选项B正确。
本题难度:一般