时间:2018-03-18 08:57:09
1、选择题 发电机和电动机的发明使人类步入电气化时代,其中电动机依据的原理是( )
A.磁场对电流的作用
B.磁铁间的相互作用
C.惯性定律
D.万有引力定律
2、选择题 水平桌面上放条形磁铁,磁铁正中上方吊着导线与磁铁垂直,导线中通入向纸内的电流,如图所示,产生的情况是(? )
A.悬线上的拉力没有变化
B.悬线上的拉力变大
C.悬线上的拉力变小
D.条形磁铁对桌面压力变小
3、选择题 如图所示,当导线中通以向里的电流时,它将受到向左的磁场力的作用.地球表面赤道附近有一沿东西方向放置的通电导线,若导线中的电流方向是由东向西,根据前面方法可以判断此导线受到地磁场对它的作用力方向为( )
A.向上
B.向下
C.向南
D.向北
4、选择题 法拉第曾做过如下的实验:在玻璃杯侧面底部装一导体柱并通过导线与电源负极相连,直立的细圆柱形磁铁棒下端固定在玻璃杯底部的中心,往杯内加入水银,在玻璃杯的正上方O点吊一可自由摆动或转动的直铜棒,铜棒的上端与电源的正极相接,下端浸入玻璃杯中的水银中。由于水银的密度比铜大,铜棒会倾斜地与水银相连,此时铜棒静止,如图所示。这样,直铜棒、水银、导电柱和电源就构成了一个回路。闭合开关S,则该实验可观察到的现象是
[? ]
A.铜棒与闭合S前相比,与竖直方向的夹角不变且仍静止
B.铜棒与闭合S前相比,与竖直方向的夹角会增大些但仍可静止
C.铜棒与闭合S前相比,与竖直方向的夹角会减小些但仍可静止
D.铜棒会以磁铁棒为轴转动
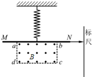
5、填空题 某同学自制一电流表,其原理如图所示.质量为m的均匀细金属杆MN与一竖直悬挂的绝缘轻弹簧相连,弹簧的劲度系数为k,在矩形区域abcd内有匀强磁场,磁感应强度大小为B,方向垂直纸面向外.MN的右端连接一绝缘轻指针,可指示出标尺上的刻度.MN的长度大于ab,当MN中没有电流通过且处于静止时,MN与矩形区域的ab边重合,且指针指在标尺的零刻度;当MN中有电流时,指针示数可表示电流强度.MN始终在纸面内且保持水平,重力加速度为g.
(1)当电流表的示数为零时,求弹簧的伸长量;
(2)为使电流表正常工作,判断金属杆MN中电流的方向;
(3)若磁场边界ab的长度为L1,bc的长度为L2,此电流表的量程是多少?