时间:2017-11-10 08:39:30
1、选择题 如图所示,导体棒ab两个端点分别搭接在两个竖直放置、电阻不计、半径相等的金属圆环上,圆环通过电刷与导线c、d相接。c、d两个端点接在匝数比n1:n2=10:1的变压器原线圈两端,变压器副线圈接一滑动变阻器R0。匀强磁场的磁感应强度为B,方向竖直向下,导体棒ab长为l(电阻不计),绕与ab平行的水平轴(也是两圆环的中心轴)OO"以角速度ω匀速转动,如果滑动变阻器的阻值为R时,通过电流表的电流为I,则?

[? ]


2、简答题 某交流发电机输出功率为5×105?W,输出电压为U=1.0×103?V,假如输电线的总电阻R=10Ω,在输电线上损失的电功率等于输电功率的5%,用户使用电压U=380V.
(1)画出输电线路的示意图.(标明各部分的符号)
(2)所用升压和降压变压器的原、副线圈的匝数比各为多少?(使用的变压器是理想变压器)
3、计算题 (13分) 学校有一台应急备用发电机,内阻为r=
1Ω,升压变压器匝数比为1∶6,降压变压器的匝数比为6∶1,输电线的总电阻为R=4.5Ω,全校22个教室,每个教室用“220V,40W”的灯6盏,要求所有灯都正常发光,变压器均为理想变压器,求:(1)输电线上损耗的电功率多大?(2)发电机的电动势多大?
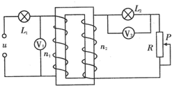
4、选择题 如图所示,理想变压器原副线圈的匝数之比为n1︰n2=5︰1,则下列判断正确的是
A.电流表A1与电流表A2的示数之比为5︰1
B.电压表V1与电压表V2的示数之比为5︰1
C.当滑动片P向下滑动时,电流表A1、A2的示数均增大
D.当滑动片P向上滑动时,电压表V1、V2的示数均增大
5、选择题 如图所示,理想变压器原、副线圈的匝数之比是10︰1,原线圈输入交变电压
(V),O是副线圈中心抽出的线头,R1=5 Ω,R2=15 Ω,则
A.开关S断开时,电流表的示数为0.05 A
B.开关S闭合时,电流表的示数为0.05 A
C.开关S闭合时,两电阻总的电功率为
D.开关S断开时,两电阻总的电功率为