时间:2017-11-10 08:39:30
1、选择题 如图甲所示,理想变压器原、副线圈的匝数比为n1: n2=10:1,R1=20Ω,R2 =30Ω, R3 =30Ω, C为电容器。已知通过R1的正弦交流电电流如图乙所示,下列说法正确的是
A.交流电的频率为0.02Hz
B.原线圈输入电压的最大值为200V
C.电阻R2的电功率约为6.67W
D.通过R3的电流始终为零
2、选择题 山区小型水力发电站的发电机有稳定的输出电压,它发出的电先通过电站附近的升压变压器升压,然后通过输电线路把电能输送到远处村寨附近的降压变压器,经降低电压后再输送至各用户.设变压器都是理想的,那么在用电高峰期,随用电器总功率的增加,将导致( ? )
A.升压变压器初级线圈中的电流变小
B.升压变压器次级线圈两端的电压不变
C.高压输电线路的电压损失变大
D.降压变压器次级线圈两端的电压变小
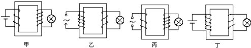
3、选择题 可以将电压升高供给电灯的变压器是( )
A.甲图
B.乙图
C.丙图
D.丁图
4、选择题 如图甲所示,理想变压器、副线圈的匝数之比为4∶1。原线圈接入交流电源,其电动势与时间呈正弦函数关系如图乙所示,副线圈接R=10Ω的负载电阻。下述结论正确的是:
?
A.交变电源的表达式为
B.副线圈中电压表的示数为5V
C.原线圈中电流表的示数为0.5A
D.原线圈的输入功率为
5、选择题 如图甲,回字形线圈两端绕有两线圈,在线圈l1中通入电流?i1后,在l2上产生感应电流随时间变化规律如图乙所示,则通入线圈l1中的电流i1随时间变化图线是下图中的( )(l1、l2中电流正方向如图甲中箭头)
A.
B.
C.
D.
