时间:2017-11-05 17:49:25
1、填空题 在远距离输电时,如果输送一定的功率,当输电电压为220V时,在输电线上损失的功率为90 kW;若输电电压提高到6600 V时,在输电线上损耗的功率是 W。
2、选择题 一个闭合矩形线圈在匀强磁场中绕垂直于磁感线的轴匀速转动,产生的感应电流如图所示.由该图可得出的正确判断是( )
A.0.01s时,线圈平面处于中性面位置
B.0.02s时,线圈平面与磁感线平行
C.该交变电流的频率为100Hz
D.1s内电流的方向变化50次
3、选择题 两相同的电阻,分别通以如图所示的正弦交流电和方波型交变电流,两种交变电流的最大值相等,周期相等。则在一个周期内正弦式交流电在电阻上产生的焦耳热Q1与方波型交流电在电阻上产生的焦耳热Q2之比等于
[? ]
A. 1∶1
B. 1∶2
C. 1∶3
D. 3∶4
4、填空题 一电阻R=10Ω,流过它的交变电流为i=2sin100πt(A),则该交变电流的电流最大值Im=______A,周期为______s,在10分钟内,电阻R产生的热量为______J.
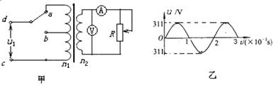
5、选择题 如图甲所示,理想变压器原副线圈的匝数比为10:1,b是原线圈的中心抽头,图中电表均为理想的交流电表,定值电阻R=10Ω,其余电阻均不计.从某时刻开始在原线圈c、d两端加上如图乙所示的交变电压。则下列说法中正确的有 
A.当单刀双掷开关与a连接时,电压表的示数为31.1V
B.当单刀双掷开关与b连接且在0.01s时,电流表示数为2.2A
C.当单刀双掷开关由a拨向b时,副线圈输出电压的频率变为25Hz
D.当单刀双掷开关由a拨向b时,原线圈的输入功率变大