时间:2017-11-05 17:36:47
1、选择题 下列情况能产生感应电流的是( )
?

A.如图甲所示,导体AB顺着磁感线运动
B.如图乙所示,条形磁铁插入或拔出线圈时
C.如图丙所示,小螺线管A插入大螺线管B中不动,开关S一直接通时
D.如图丙所示,小螺线管A插入大螺线管B中不动,开关S一直接通,当改变滑动变阻器的阻值时
参考答案:BD
本题解析:能产生感应电流的条件是闭合电路中磁通量发生改变,所以BD正确。
点评:此类题型考察了闭合电路产生感应电流的条件
本题难度:简单
2、选择题 一个闭合线圈固定在垂直纸面的匀强磁场中,设磁场方向向里为磁感应强度B的正方向,线圈中的箭头所指方向为电流I的正方向.线圈及线圈中感应电流I随时间变化的图线如图所示,则磁感应强度B随时间变化的图线可能是图中的:

参考答案:CD
本题解析:由图可知,刚开始线圈中的电流方向是负的,说明沿逆时针方向,且大小不变,线圈中的电流产生的磁场垂直纸面向上,这既可能是原磁场正方向(方向向里)增大或原磁场反方向(方向向外)减小形成的,而A中的图像说明原磁场刚开始是反方向增大,故选项A错误;后来又发现线圈中的电流正方向大小不变,即顺时针方向不变,故线圈产生的磁场方向面向里,这既可能是原磁场正方向(方向向里)减小或原磁场反方向(方向向外)增大形成的;再由电流图像可知,线圈中的电流方向最后又是反方向不变,故原磁场仍是正方向(方向向里)增大或原磁场反方向(方向向外)减小,所以选项B是错误的;选项CD正确。
考点:电磁感应,楞次定律。
本题难度:一般
3、填空题 一闭合线圈有50匝,总电阻R=20Ω,穿过它的磁通量在0.1s内由8×10-3Wb增加到1.2×10-2Wb,则线圈中的感应电动势E=?V,线圈中的电流强度I=?A。
参考答案:2、 0.1
本题解析:由法拉第电磁感应定律有圈中的感应电动势
;
由欧姆定律知线圈中的电流强度
点评:本题的关键掌握法拉第电磁感应定律
和闭合电路欧姆定律。
本题难度:简单
4、计算题 竖直面内的矩形金属线框ABCD由单位长度阻值r0=0.4Ω/m的导线围成,边长分别为AB=a,BC=2a,且a=1m,在线框的左半部分有垂直于线框平面向外的匀强磁场,当磁感应强度随时间均匀增大时,与CD两点相连的电容器中的带电粒子恰好处于悬浮状态,带电粒子所带电量的绝对值为q=10-6C,质量为m=10-8Kg,电容器两水平带电板的距离为d,且d=
,已知重力加速度为g=10m/s2,求:
(1)带电粒子的电性;
(2)磁感应强度随时间的变化率;
(3)电路的总功率为多少?
参考答案:(1)上板带正电,粒子带负电。(2)
(3)
本题解析:
(1)当磁感应强度均匀增大时,线框中电流方向如图所示,所以电容器的上板带正电,粒子带负电。
(2)电路中的感应电动势
(1)
DC边两端的电压为
(2)
电容器两板的电势差为
(3)
带电粒子处于平衡状态,受到的电场力和重力相等,所以有:
(4)
又因为:
(5)
联立以上各式得:磁感应强度随时间的变化率
(6)
代入数据得:
(3)整个电路为纯电阻电路,由(1)式和(6)式得
(7)
电路中的总电阻为
(8)
所以电路的总功率
(9)
由(7)、(8)、(9)三式得
(10)
代入数据得
本题难度:一般
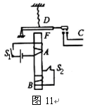
5、选择题 如图11所示是一种延时开关,当S1闭合时,电磁铁F将衔铁D吸下,C线路接通。当S1断开时,由于电磁感应作用,D将延迟一段时间才被释放。则(?)
A.由于A线圈的电磁感应作用,才产生延时释放D的作用
B.由于B线圈的电磁感应作用,才产生延时释放D的作用
C.如果断开B线圈的电键S2,无延时作用
D.如果断开B线圈的电键S2,延时将变长
参考答案:BC
本题解析:A线圈有电流通过,使F产生磁场使得D被F吸下,这是显然。当S1断开时,励磁电流消失,此时磁场强度减小,A,B线圈中穿过的磁感线数目均发生变化,由于A线圈已经断开,在其中不产生感应电流,对磁场强度的减小没有抑制作用;而B线圈中产生感应电流,该电流产生的磁场抑制F中原磁场的减弱,这即是延迟效应产生的原因。当然,S2断开的话线圈B也不产生感生电流,不会对F中磁场的减弱产生阻碍。BC正确。故本题选BC。
本题难度:简单