时间:2017-11-05 16:58:03
1、选择题 把矩形线圈abcd放在匀强磁场中,使它的平面与磁感线平行.如图所示,下列哪种情况线圈中有感应电流( )
A.线圈沿磁感线方向移动
B.线圈垂直于磁感线方向移动
C.线圈以ab边为轴转动
D.线圈以bc边为轴转动
2、计算题 如图所示,AB是两个同心圆,半径之比RA:RB=2:1,A、B是由相同材料,粗细一样的导体做成的,小圆B外无磁场,B内磁场的变化如图所示,求A、B中电流大小之比(不计两圆中电流形成磁场的相互作用).
3、选择题 某地的地磁场磁感应强度的竖直分量方向向下,大小为4.5×10-5T.一灵敏电压表连接在当地入海河段的两岸,河宽100m,该河段涨潮和落潮时有海水(视为导体)流过.设落潮时,海水自西向东流,流速为2m/s.下列说法正确的是( )
A.河北岸的电势较高
B.河南岸的电势较高
C.电压表记录的电压为9V
D.电压表记录的电压为5mV
4、选择题 一矩形线圈位于一个方向垂直线圈平面向里的磁场中,如图1所示,磁感应强度B随t的变化规律如图2所示。以I表示线圈中的感应电流,以图1线圈上箭头所示方向的电流为正,则以下的i-t图中正确的是
[? ]
A.
B.
C.
D.
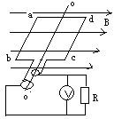
5、计算题 如图所示,匀强磁场的磁感应强度B=0.5T,边长L=10cm的正方形线圈abcd共100匝,线圈电阻r=1Ω,线圈绕垂直于磁感线的对称轴OO"匀速转动,角速度ω=2rad/s,外电路电阻R=4Ω,求:
(1)转动过程中感应电动势的最大值;
(2)由图位置转过30°角的过程产生的平均感应电动势;
(3)交流电压表的示数。 