时间:2017-11-05 16:23:48
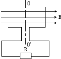
1、选择题  如图,矩形线圈面积为S,匝数为n,线圈电阻为r,在磁感应强度为B的匀强磁场中绕OO′轴以角速度ω匀速转动,外电路电阻为R.在线圈由图示位置转过90°的过程中,下列说法正确的是(  )
A.磁通量的变化量△φ=nBS
B.平均感应电动势
| nBSω 2  | 
| nBS R  | 
| (nBS)2ωRπ 4(R+r)2  | 

2、选择题  一个矩形线圈在匀强磁场中匀速转动,产生交流电动势e=311Sin(50πt)V,则(  )
A.此交变电动势的频率是50Hz
B.用交流电压表测量时的示数是220V
C.在t=0.1s时穿过线圈的磁通量为零
D.在t=0.5s时线圈平面与中性面重合,磁通量变化率最小
3、选择题  下列说法中正确的有(  )
A.交流电电器设备上标明的是电压、电流的最大值
B.电容器上标明的电压是最大值
C.交流电压表和电流表测出的是瞬时值
D.380V交流电的电压有效值是380V
4、选择题  如图所示,矩形线圈面积为S,匝数为N,内阻为r,绕OO′轴以角速度ω作匀速转动,在它从图示位置转过90°的过程中,下面说法正确的是( ? )
A.通过电阻的电量为NBSπ/[2
(R+r)]
B.通过电阻的电量为NBS/(R+r)
C.外力所做的功为2N2B2S2ω/[π(R+r)]
D.R两端电压的有效值为2NBωS/π
5、选择题  一个电热器上标有“220V、110W”,它在正常工作时,所通过的正弦交流电的电流最大值是(  )
A.2.828A
B.0.354A
C.1.414A
D.0.707A