高考物理答题技巧《电磁学实验》试题特训(2017年最新版)(四)

时间:2017-09-26 11:04:33

微信搜索关注"91考试网"公众号,领30元,获取事业编教师公务员等考试资料40G

1、实验题  (9分)①用游标为50分度的卡尺测量某圆筒的外径时,卡尺上的示数如图所示,可读出圆筒的外径为___________ mm.

②用替代法测毫安表内电阻的电路如图甲所示.器材:待测毫安表A(量程0~10mA,内阻RA约为30Ω);毫安表A′(量程30mA);电阻箱R1(0~9999Ω);滑动变阻器R2(0~500Ω);电源(E=3V,r约为1~2Ω).

a.滑动变阻器滑片P在实验开始前应放在      端 (填"a"或"b") .将单刀双掷开关S先接“1”位置,调节滑动变阻器滑片P的位置,使待测毫安表A的指针至某位置(或满偏),记下此时毫安表A′ 的读数.滑片P的位置不再移动;
b.将开关S接“2”位置,调节电阻箱使                                     ,读出此时电阻箱的读数如图乙所示(记为R1),则R1=         ;
c.由以上实验可知,待测毫安表A的内电阻RA=          


参考答案:(2)① 8.06 (2分);② a.   b   (2分);b.  电流表A′ 的读数为( 1分), 32   ( 2分);c. 32   (2分)。


本题解析:①游标的主尺示数为8mm,游标尺的示数为3×0.02mm=0.06mm,故圆筒的外径为8.06mm;②a.为了保护电路,滑动变阻器滑片P在实验开始前应放在b端,以使其电阻最大,起到保护电路的作用;b.由于是用等效法测毫安表的内阻,故该步骤应该是使电流表A′ 的读数仍为I;读取图乙中电阻箱的示数为32Ω;c.测毫安表A的内电阻与电阻箱的电阻是相等的,即也是32Ω;
考点:游标卡尺的读数,电路的连接,电阻箱的读数等。


本题难度:一般



2、实验题  一个多用电表的欧姆挡有三个倍率,分别是×1 Ω、×10 Ω、×100 Ω.,用×10 Ω挡测量某电阻时,操作步骤正确,发现表头指针偏转角度较小,但可以读出电阻值,为了较准确地进行测量,应换到________挡.换挡后立即用表笔连接待测电阻进行读数,表盘的示数如图所示,读出的数据是________,发现测量出的电阻值与第一次测量值偏差很大原因是          


参考答案:×100 Ω   调零    2.2×103Ω


本题解析:表头指针偏转角度很小,说明所选档位太小,为了较准确地进行测量,应换到×100挡,每次换挡都需要欧姆调零,由图示表盘可知,该电阻的阻值是22×100=2.2×103Ω.
考点:考查了多用电表的使用


本题难度:一般



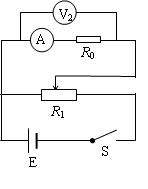
3、实验题  (10分)某实验小组为了测量电流表A的内阻的精确值,准备了如下器材:
A.待测电流表A: 量程100mA,内阻约5
B.电压表: 量程15V,内阻约l0k
C.电压表V2: 量程3V,内阻约5k
D.定值电阻,阻值为20
E.滑动变阻器:阻值范围0~10,额定电流为1A
F. 滑动变阻器:阻值范围0~1000,额定电流为0.2A
G.电源E:电动势为6V,内阻很小
H.电键、导线若干
要求电流表A的示数从零开始变化,能多测几组数据,且尽可能使电压表的表针偏转范围大.
(1)实验中电压表应选用             ,滑动变阻器应选用                  ;(填器材前面的字母序号)
(2)请在虚线方框中画出实验电路图,并标明所选用的器材;

(3)若选测量数据中的一组来计算电流表A的内阻,其中电压表的示数用U表示,电流表的示数用I表示,则所测电流表A的内阻的表达式为                    


参考答案:(1)C或V2 , E或R1)(2)
  (3) 或 (3分)


本题解析:(1)要使电压表的表针偏转范围较大,所以电压表选C;要求电流表A的示数从零开始变化,滑动变阻器采用分压式接法,选E;
(2)电流表两端的最大电压为U=Ir=0.5V,相对电压表来讲,电压太小,故需要给电流表串联一个定值电阻,电路设计如下

(3)电流表的内阻为r=
考点:本题考查了电阻的测量


本题难度:一般



4、选择题  “测定金属的电阻率”实验中,以下操作中错误的是                    (  )
A.用米尺测量金属丝的全长三次,算出其平均值
B.用螺旋测微器在金属丝三个不同部位各测量一次直径,算出其平均值
C.用伏安法测电阻时采用电流表内接线路,多次测量后算出平均值;
D.实验中保持金属丝的温度不变


参考答案: AC


本题解析:应量出金属丝接入电路中的有效长度,而不是全长;金属丝的电阻很小,与电压表内阻相差很大,使金属丝与电压表并联,电压表对它分流作用很小,应采用电流表外接法,故AC操作错误.


本题难度:一般



5、实验题  在用电流表和电压表“测定电源的电动势和内阻”的实验中,所得路端电压随电流变化的图象如图所示,由图可知:电源的电动势E=_______V,内阻r=_______Ω


参考答案:1.5 ; 0.5


本题解析:由图线可知,电源的电动势为1.5V,内阻为
考点:测定电源的电动势和内阻.


本题难度:一般




首页 上页 3 4 5 下页 尾页 4/10/10
微信搜索关注"91考试网"公众号,领30元,获取公务员事业编教师考试资料40G
【省市县地区导航】【考试题库导航】
 ★ 高考省级导航 ★ 
全国 A安徽 B北京 C重庆 F福建 G广东 广西 甘肃 贵州 H河南 河北 湖南 湖北 黑龙江 海南 J江苏 江西 吉林 L辽宁 N内蒙古 宁夏 Q青海 S山东 山西 陕西 四川 上海 T天津 X新疆 西藏 Y云南 Z浙江
 ★ 高考信息汇总 ★ 
 ★ 高考历年真题 ★ 
 ★ 高考历年真题 ★ 
 ★ 高考题库 ★ 
 ★ 高考题库 ★ 

电脑版  |  手机版  |  返回顶部