时间:2017-09-26 11:00:41
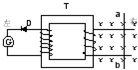
1、选择题  如图(俯视图)所示,T是绕有两组线圈的闭合铁芯,D是理想的二极管,金属棒ab可在两条平行的金属导轨上沿导轨滑行,磁场方向垂直纸面向里,若电流计G中有电流通过,则ab棒的运动可能是(除ab棒有电阻外其余部分无电阻)(  )
A.向左匀速运动
B.向右匀速运动
C.向左匀加速运动
D.向右匀加速运动
参考答案:A、AB棒若做匀速移动,ab棒产生稳定的感应电动势,在右边的回路中产生稳定的感应电流,则右边线圈中产生稳定的磁场,在左边线圈中不产生感应电流,故A、B错误;
? C、导体棒向左加速移动,根据右手定则,感应电流逐渐增大,感应电流的方向由a到b,根据右手螺旋定则,在右边线圈中产生从上到下的磁场,则在左侧线框中产生从下到上的磁场且不断增强,根据楞次定律,通过电流计的电流方向上到下,正好正向通过二极管,故正确;
? D、导体棒向右加速移动,根据右手定则,感应电流逐渐增大,感应电流的方向由b到a,根据右手螺旋定则,在右边线圈中产生从下到上的磁场,则在左侧线框中产生从上到下的磁场且不断增强,根据楞次定律,通过电流计的电流方向应该从下到上,但是由于二极管反向电阻很大,因此电路中无电流,故D错误.
故选C.
本题解析:
本题难度:简单
2、选择题  用两个相同的小量程电流表,分别改装成了两个量程不同的大量程电流表A1、A2,若把A1、A2分别采用串联或并联的方式接入电路,如图(a)、(b)所示,则闭合开关后,下列有关电表的示数和电表指针偏转角度的说法正确的是(  )
A.图(a)中的A1、A2的示数相同
B.图(a)中的A1、A2的指针偏角相同
C.图(b)中的A1、A2的示数和偏角都不同
D.图(b)中的A1、A2的指针偏角相同
参考答案:B
本题解析:图a中的A1、A2并联,表头的电压相等,电流相等,指针偏转的角度相同,量程不同的电流表读数不同.故A错误,B正确.图b中的A1、A2串联,A1、A2的示数相同.由于量程不同,内阻不同,电表两端的电压不同,流过表头的电流不同,指针偏转的角度不同.故CD错误.
本题难度:一般
3、选择题  有一家用电熨斗,其电路结构如图所示,改变内部连线方式可以使电熨斗处于断开状态或获得低?中?高三个不同的温度挡,图乙是它的四种不同的连接方式,其中能获得高挡温度的是(? )
参考答案:D
本题解析:电熨斗工作时,工作电压不变,由P=U2/R知,电路总电阻R最小时,热功率最大,即R1?R2组成并联电路时R最小,使其获得高挡温度,D正确.
本题难度:简单
4、选择题  如图电路,电源电动势为E,内阻为r,电压表示数为3V,电流表示数为1A,现使可变电阻接入电路的阻值变大,则(?)
电压表的示数仍为3V
电压表的示数将大于3V
电流表的示数仍为1A
电流表的示数将大于1A
参考答案:B
本题解析:电压表测得是路端电压,电流表测的是干路电流,当可变电阻接入电路的阻值变大时,电路中总电阻变大,总电流变小,电流表示数小于1A,CD错误;电源内部分压变小,所以路端电压变大,电压表示数大于3伏。故答案选B.
本题难度:简单
5、计算题  在如图所示的电路中,R1=2?Ω,R2=R3=4?Ω,当电键K接a时,R2上消耗的电功率为4?W,当电键K接b时,电压表示数为4.5?V,试求: 
(1)电键K接a时,通过电源的电流和电源两端的电压; 
(2)电源的电动势和内电阻;? 
(3)当电键K接c时,通过R2的电流。
参考答案:解:(1)K接a时,R1被短路,外电阻为R2,根据电功率公式可得
通过电源电流
A
电源两端电压
V
(2)K接a时,有E=U1+I1r=4+r 
K接b时,R1和R2串联,R外=R1+R2=6 Ω
通过电源电流I2=
A
这时有:E=U2+I2r=4.5+0.75 r 
解得:E=6 V? r=2 Ω 
(3)当K接c时,R总=R1+r+R23=6 Ω
总电流I3=E/R总=1 A
通过R2电流I"=
I3=0.5 A
本题解析:
本题难度:一般