时间:2017-09-25 07:41:53
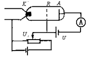
1、选择题 德国物理学家弗兰克林和赫兹进行过气体原子激发的实验研究,其研究过程可简单叙述为他们在如图所示的一只阴极射线管中充入要考察的汞蒸气,阴极发射出的电子受阴极K和栅极R之间的电压UR加速,电子获得能量后就能够激发和它碰撞的汞原子,参加碰撞的电子交出部分能量后速度减小,若实验得到汞原子的各能级比基态高以下能量值:4.88eV,6.68 eV,8.78 eV,10.32eV(此为汞原子的电离能)。若现有加速到能量为7.97eV的电子进入汞蒸气后 
[? ]
A.不能使汞原子激发,更不能使汞原子电离
B.能使全部原子激发,且能使大部分汞原子电离
C.若能测量出进入汞蒸气后电子的能量,则测量的能量值可能为4.88eV或6.68 eV
D.若能测量出进入汞蒸气后电子的能量,则测得的能量值可能为1.29eV或3.09eV或7.97eV
参考答案:D
本题解析:
本题难度:一般
2、选择题 如图所示为氢原子的能级图。当氢原予从n=4能级跃迁到n=2能级时,辐射出光子a;当氢原子从n=3能级跃迁到n=1能级时,辐射出光子b,则下列说法中正确的是(?)
A.光子的能量大于光子b的能量
B.光子a的波长小干光子b的波长
C.b光比a光更容易发生衍射现象
D.在同种介质中,a光子的传播速度大于b光子的传播速度
参考答案:D
本题解析:由题意可知,a的能量小于b,即b的频率大而波长小。所以b的折射率大,介质中速度小,而难发生衍射。所以在同种介质中,a光子的传播速度大于b光子的传播速度。D正确。故本题选D。
本题难度:一般
3、选择题 一个氢原子从n=3能级跃迁到n=2能级,该氢原子( )
A.放出光子,能量增加
B.放出光子,能量减少
C.吸收光子,能量增加
D.吸收光子,能量减少
参考答案:一个氢原子从n=3能级跃迁到n=2能级,
即从高能级向低能级跃迁,释放光子,能量减少.
故选:B.
本题解析:
本题难度:简单
4、选择题 下列说法正确的是( )
A.用蓝光照射某金属时能够产生光电效应,如果用黄光照射该金属也一定能够产生光电效应.
B.玻尔理论指出氢原子能级是分立的,原子跃迁时发射光子的频率也是不连续的
C.卢瑟福通过分析α粒子散射实验结果,发现了质子和中子
D.工业上利用γ射线来检查金属内部伤痕,是因为γ射线穿透能力很强
E.釉核
参考答案:A、用蓝光照射某金属时能够产生光电效应,知蓝光的频率大于金属的极限频率,因为黄光的频率小于蓝光频率,所以用黄光照射不一定能发生光电效应.故A错误.
B、玻尔理论指出氢原子能级是量子化的,能级差也是量子化的,则释放的光子频率也是不连续的.故B正确.
C、卢瑟福通过分析α粒子散射实验结果,得出了原子的核式结构模型.故C错误.
D、工业上利用γ射线来检查金属内部伤痕,是因为γ射线穿透能力很强.故D正确.
E、釉核?23892U经过一次α衰变后,电荷数少2,质量数少4.变为钍核?23490Th.故E正确.
故选BDE
本题解析:
本题难度:一般
5、填空题 氢原子处于基态时能量为E1,由于吸收某种单色光后氢原子产生能级跃迁,最多能产生3种不同波长的光,则单色光的能量为__________,产生的3种不同波长的光中,最大波长为________(普朗克常量为h,光速为c,激发态与基态之间的能量关系为En=
)。
参考答案:
;
。
本题解析:由于氢原子吸收某种单色光后氢原子产生能级跃迁,最多能产生3种不同波长的光,则可知氢原子一定发生了从1到3的跃迁,吸收的单色光的能量为E3-E1=
;产生的3种不同波长的光中,最大波长对应着从3到2的跃迁即
,解得
.
本题难度:一般