时间:2017-09-25 07:30:32
1、实验题 一个多用电表的欧姆挡有三个倍率,分别是×1 Ω、×10 Ω、×100 Ω.,用×10 Ω挡测量某电阻时,操作步骤正确,发现表头指针偏转角度较小,但可以读出电阻值,为了较准确地进行测量,应换到________挡.换挡后立即用表笔连接待测电阻进行读数,表盘的示数如图所示,读出的数据是________,发现测量出的电阻值与第一次测量值偏差很大原因是 
参考答案:×100 Ω 调零 2.2×103Ω
本题解析:表头指针偏转角度很小,说明所选档位太小,为了较准确地进行测量,应换到×100挡,每次换挡都需要欧姆调零,由图示表盘可知,该电阻的阻值是22×100=2.2×103Ω.
考点:考查了多用电表的使用
本题难度:一般
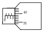
2、实验题 下述图中,游标卡尺示数是_______cm,螺旋测微器示数是______mm,欧姆表的档位开关置于“×100”档,用它测电阻的示数是________Ω。


参考答案:10.34cm ;3.388mm ;3000Ω
本题解析:游标卡尺示数是10.3cm+0.1mm×4=10.34cm;螺旋测微器示数3mm+0.01mm×38.8=3.388mm;欧姆表的示数30Ω×100=3000Ω
考点:游标卡尺、螺旋测微器、欧姆表读数.
本题难度:一般
3、实验题 某兴趣小组为了测量一待测电阻
的阻值,首先用多用电表粗测出它的阻值,然后再用其他方法更精确地测量。实验室里准备了以下器材:
A.多用电表
B.电压表
,量程15V,内阻约20
C.电流表
,量程0.6A,内阻
约1
D.电压表
,量程1.2mA,内阻
E.滑动变阻器
,最大阻值5
F.滑动变阻器
,最大阻值50
G.电阻箱
,阻值
另有:电源(电动势约
),导线、开关若干
(1)①在用多用电表粗测电阻时,该兴趣小组首先选用“
”欧姆挡,其阻值如图甲中
指针所示,为了减小多用电表的读数误差,多用电表的选择开关应换用 欧姆挡;
②按正确的操作程序再一次用多用电表测量该待测电阻的阻值时,其阻值如图乙中指针所示,则
的阻值大约是
;
(2)①在用某种测量方法精确测量该电阻的阻值时,要求待测电阻的电压从零开始可以连
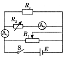
续调节,测量时两电表指针偏转均超过其量程的一半。则在上述器材中,除了电源、导线、开关外还应选用的器材是 (填器材前面的字母序号);
②在虚线框内画出用此方法测量该电阻阻值时的实验电路图。
③若选测量数据中的一组来计算
,则
,表达式中各个符号物理的意义是: 。
参考答案:(1)①“×1”欧姆挡(1分)②9或(9.0)(1分)
(2)①C D E G(全对得2分,有错或不全得0分)
②如图所示
③
(2分)
表示数;
表示数;
表内阻;
:电阻箱示数.(全对得1分,有错或不全得0分)
解析:本题考查测量电阻时仪器的选取、多用表的使用方法、电路图的设计.电路要求电压从零开始,所以采用分压接法,选择变阻器时,一般选小阻值的.电路如图所示.本题难度中等.
本题解析:(1)①由于多用电表指针偏转较大,即说明阻值较小,所以应该换用小倍率的,即×1档,
②由图乙中指针所示,可知
的阻值大约是9Ω
(2)①在上述器材中,除了电源、导线、开关外还应选用的器材是,C、电流表
, D、电流表
,量程1.2mA,内阻
E、滑动变阻器
, G、电阻箱
,
②变阻器应该选用分压式,由于电压表量程较大,所以应该用两个电流表,其中一条支路的电流和定值电阻,可以间接求得待测电阻两端的电压,实物图如下
③若选测量数据中的一组来计算
,则
,
表示数;
表示数;
表内阻;
:电阻箱示数
本题难度:困难
4、实验题 (12分)按图所示的电路测量两节干电池串联组成电池组的电动势
和内阻
,其中
为电阻箱,
为定值电阻,干电池的工作电流不宜超过0.5A.实验室提供的器材如下:电流表(量程0~0.6~3.0A),电阻箱(阻值范围0~999.9Ω),定值电阻若干,电键、导线若干。
①在下面提供的四个电阻中,保护电阻
应选用_______。
A.5Ω B.20Ω C.100Ω D.1kΩ
②根据电路图,请在图中画出连线,将器材连接成实验电路。


③实验时,改变电阻箱
的值,记录下电流表A的示数
,得到若干组
、
的数据。根据实验数据绘出如图所示的
图线,由此得出电池组的电动势
=______
,内电阻
=_______
.
参考答案:① A (3分) ② 实物图连接如图所示(3分) 
③ 3.0 (2.9
3.0)(3分), 1.0 (0.9
1.1)(3分)
本题解析:
试题分析:①两节干电池的电动势是3V,干电池的工作电流不宜超过0.5A.所以电路总电阻不小于6Ω,所以保护电阻
应选用A.
②由电路图将器材连接成实验电路,如上图所示.
③根据闭合电路欧姆定律
,可得
,根据数学知识得知,
图象的斜率等于电源的电动势
,斜率为k≈3.00,则电源的电动势
;轴截距的绝对值
,则内阻
.
考点:本题考查了测定电源的电动势和内阻.
本题难度:一般
5、填空题 一个小灯泡的额定电压为6.3V,额定电流约为0.3A,用以下所给的实验器材描绘出小灯泡的伏安特性曲线。
电源E1:电动势为8.0V,内阻不计; 电源E2:电动势为12.0V,内阻不计;
电压表V:量程0—10V,内阻约为10kΩ; 电流表A1:量程0—3A,内阻约为0.1Ω;
电流表A2:量程0—300mA,内阻约为1Ω;
滑动变阻器R:最大阻值10Ω,额定电流1.0A; 开关S,导线若干。
【小题1】依照实验要求将图中的实物图连接成实验电路。
【小题2】实验中电源应该选用 ;电流表应该选用 。
【小题3】实验测出的数据如下表所示,依照这些数据在图所示的坐标纸中描绘出该小灯泡的伏安特性曲线。
| U/V | 0 | 0.5 | 0.8 | 1.0 | 1.2 | 1.5 | 2.0 | 2.5 | 3.0 | 4.0 | 5.0 | 6.0 | 6.3 | |
| I/A | 0 | 0.05 | 0.08 | 0.10 | 0.12 | 0.14 | 0.18 | 0.20 | 0.23 | 0.25 | 0.27 | 0.27 |
参考答案:
【小题1】见下图
【小题2】 E1 、 A2
【小题3】请在下面的坐标纸上用水笔描绘出伏安特性曲线
本题解析:【小题1】小灯泡灯丝电阻较小,所以选用电流表外接,描绘小灯泡的伏安特性,需要将电压从零调起,即滑动变阻器分压式接法,连接成实验电路如下图
【小题2】小灯泡额定电压6.3V,所以实验中电源应该选用E1;小灯泡额定电流0.3A,则电流表应该选用A2
【小题3】伏安特性曲线如下图
本题难度:一般