时间:2017-09-25 07:30:12
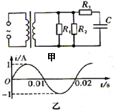
1、选择题  如图甲所示,理想变压器原、副线圈的匝数比为10:1,R1=10Ω,R2=20Ω,C为电容器,已知通过R2的正弦式电流如图乙所示,则(  )
A.交变电流的频率为100Hz
B.原线圈输入电压的最大值为100V
C.电阻R1的电功率约为20W
D.通过R3的电流始终为零
2、简答题  某小水电站发电机输出的交流电压是500V,输出电功率为50kW.如果用电阻为3Ω的输电线向远处的用户送电,这时用户得到的电压和电功率是多少?假如要求输电线上损失电功率不超过输出电功率的0.6%,则在电站要安装一个升压变压器,到达用户后再用降压变压器降为220V供用户使用,假定变压器为理想变压器,则升压变压器和降压变压器的原副线圈匝数比各是多少?
3、选择题  如图所示,一理想变压器,其原副线圈的匝数均可调节,原线圈两端电压为一最大值不变的正弦交流电,为了使变压器输入功率增大,可使
A.其他条件不变,原线圈的匝数n1增加
B.其他条件不变,副线圈的匝数n2减小
C.其他条件不变,负载电阻R的阻值增大
D.其他条件不变,负载电阻R的阻值减小
4、选择题  如图所示为两个互感器,在图中圆圈内a、b表示电表,已知电压比为100,电流比为10,电压表的示数为220V,电流表的示数为10A,则(? ) 
A.a为电流表,b为电压表
B.a为电压表,b为电流表
C.a为电流表,b为电流表 
D.a为电压表,b为电压表
5、选择题  如图所示,T为理想变压器,A为理想交流电流表,V为理想交流电压表,当原线圈两端接电压U=200V的正弦交流电,且S断开时,电压表V的示数为12V,电流表A的示数为0.1A,则(  )
A.原、副线圈匝数比n1:n2=55:3
B.R1消耗的功率是22W
C.当开关S闭合时,R1消耗的功率变大
D.当开关S闭合时,交流电流的输出功率变大