时间:2017-09-25 07:30:12
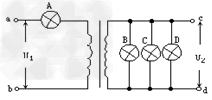
1、选择题 如图所示,理想变压器的原、副线圈匝数比为1:5,原线圈两端?的交变电压为
?氖泡在两端电压达到100V时开始发光,下列说法中正确的有
A.开关接通后,氖泡的发光频率为100Hz
B.开关接通后,电压表的示数为100 V
C.开关断开后,电压表的示数变大
D.开关断开后,变压器的输出功率不变
参考答案:AB
本题解析:本题主要考查变压器的知识,要能对变压器的最大值、有效值、瞬时值以及变压器变压原理、功率等问题彻底理解。由交变电压的瞬时值表达式知,原线圈两端电压的有效值为
V=20V,由
得副线圈两端的电压为
V,电压表的示数为交流电的有效值,B项正确;交变电压的频率为
?Hz,一个周期内电压两次大于100V,即一个周期内氖泡能两次发光,所以其发光频率为100Hz,A项正确;开关断开前后,输入电压不变,变压器的变压比不变,故输出电压不变,C项错误;断开后,电路消耗的功率减小,输出功率决定输入功率,D项错误。
本题难度:一般
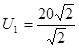
2、选择题 如图所示,A、B、C、D是四个相同的白炽灯,都处于正常发光状态,则图中ab、cd两端电压U1与U2之比是?
[? ]
A.3∶1
B.4∶1
C.3∶2?
D.2∶1
参考答案:B
本题解析:
本题难度:简单
3、选择题 如图所示,理想变压器输入端接在电动势随时间变化、内阻为r的交流电源上,输出端接理想电流表及阻值为R的负载,变压器原、副线圈匝数的比值为
。如果要求负载上消耗的电功率最大,则下列说法正确的是
A.交流电源的效率为50%
B.电流表的读数为
C.负载上消耗的热功率为
D.该交流电源电动势的瞬时值表达式为
参考答案:AB
本题解析:将变压器、电阻R及电流表部分等效与电源的外电路R/,当电源的外电路电阻R/等于电源内阻r时,电源输出功率最大,负载R上得到的功率也最大,此时电源的内电压等于外电压,电源的效率
,选项A 正确;变压器初级电流
,次级电流
,即电流表的读数
,选项B正确;负载上消耗的热功率为
,选项C 错误;交流电的周期为4×10-3s,
,则该交流电源电动势的瞬时值表达式为
V,选项D 错误。
本题难度:简单
4、选择题 在家用交流稳压器中,变压器的原、副线圈都带有滑动头,如图所示.当变压器输入电压发生变化时,可上下调节P1、P2的位置,使输出电压稳定在220V上.现发现输出电压低于220V,下列措施不正确的是( )
A.P1不动,将P2向上移
B.P2不动,将P1向下移
C.将P1向上移,同时P2向下移
D.将P1向下移,同时P2向上移
参考答案:A、当P1不动,将P2向上移时,副线圈的匝数增加,输出的电压将会增加,所以A正确.
B、当P2不动,将P1向下移时,原线圈的匝数减小,根据电压与匝数成正比可知,此时输出的电压将会增加,所以B正确.
C、当将P1向上移,同时P2向下移时,原线圈的匝数增加,副线圈的匝数减小,根据电压与匝数成正比可知,此时输出的电压将会减小,所以C错误.
D、当将P1向下移,同时P2向上移时,原线圈的匝数减小,副线圈的匝数增加,根据电压与匝数成正比可知,此时输出的电压将会增加,所以D正确.
本题选错误的,故选C.
本题解析:
本题难度:简单
5、选择题 如图所示为两个互感器,在图中圆圈内a、b表示电表,已知电压比为100,电流比为10,电压表的示数为220V,电流表的示数为10A,则( ? )
A.a为电流表,b为电压表,线路输送电功率是2200W
B.a为电压表,b为电流表,线路输送电功率是2.2×106W
C.a为电流表,b为电压表,线路输送电功率是2.2×106W
D.a为电压表,b为电流表,线路输送电功率是2200W
参考答案:B
本题解析:
本题难度:简单