时间:2017-09-23 23:22:54
1、选择题 如图电路中,在滑动变阻器的滑片P向上端a滑动过程中,两表的示数情况为( ) 
A.电压表示数增大
B.电压表示数减小
C.电流表示数减小
D.电流表示数增大
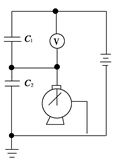
2、选择题 在如右图所示的静电实验中,已知电容器的电容C1=C2=C,电源的电动势为E,内阻为r,电压表的内阻为10kΩ,当电路达到稳定状态后,则( )
A.电压表和静电计上的电势差相等,都是E/2
B.电压表上电势差比静电计上的电势差大
C.静电计上电势差为E
D.电压表上电势差为零
3、填空题 M、N为两根水平固定的平行金属导轨,ab、cd为两根搁在导轨上的导体棒,空间有图示方向的匀强磁场,现将导体棒cd向左拉动,则导体棒cd中的电流方向流向______(选填“c”或“d”)端,导体棒ab所受磁场力方向向______(选填“左”或“右”).
4、简答题 一个电源的路端电压U随外电路电阻R的变化规律如图(甲)所示,图中U=12V的直线为图线的渐近线.现将该电源和一个变阻器R0接成如图(乙)所示电路,已知电源允许通过的最大电流为2A,变阻器的最大阻值为R0=22Ω.求:
(1)电源电动势E和内电阻r;
(2)空载时A、B两端输出的电压范围;
(3)A、B两端所能接负载的电阻的最小值.
5、填空题 如图所示,滑动变阻器R1的最大阻值是100Ω,R2=100Ω,A、B两端电压恒定为10V.当电键S断开时,移动滑动变阻器滑片P,电压表示数范围是______V;当电键S闭合时,移动滑动变阻器滑片P,电压表示数范围是______V.