时间:2017-09-23 22:57:41
1、选择题 下列说法正确的是( )
A.热敏电阻是把热量这个热学量转为电阻这个电学量
B.金属热电阻的化学稳定性好,但灵敏度差
C.电熨斗中的双金属片是温度传感器
D.霍尔元件是能够把磁学量磁感应强度转换为电压的传感元件
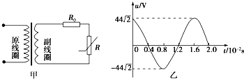
2、选择题 如图甲为一火灾报警系统.其中R0为定值电阻,R为热敏电阻,其阻值随温度的升高而减小.理想变压器原、副线圈匝数比为5:1,副线圈输出电压如图乙所示,则下列说法正确的是( ? )
A.原线圈输入电压有效值为220V
B.副线圈输出电压瞬时值表达式u=44
cos(100πt)V
C.R处出现火情时原线圈电流增大
D.R处出现火情时电阻R0的电功率减小
3、计算题 如(a)图,质量为M的滑块A放在气垫导轨B上,C为位移传感器,它能将滑块A到传感器C的距离数据实时传送到计算机上,经计算机处理后在屏幕上显示滑块A的位移-时间(s-t)图象和速率-时间(v-t)图象。整个装置置于高度可调节的斜面上,斜面的长度为l、高度为h。(取重力加速度g=9.8 m/s2,结果可保留一位有效数字) 
(1)现给滑块A一沿气垫导轨向上的初速度,A的v-t图线如(b)图所示。从图线可得滑块A下滑时的加速度a=_____________m/s2,摩擦力对滑块A运动的影响_____________。(填“明显,不可忽略”或“不明显,可忽略”)
(2)此装置还可用来验证牛顿第二定律。实验时通过改变_____________,可验证质量一定时,加速度与力成正比的关系;实验时通过改变_____________,可验证力一定时,加速度与质量成反比的关系。
(3)将气垫导轨换成滑板,滑块A换成滑块A",给滑块A"一沿滑板向上的初速度,A"的s-t图线如(c)图。图线不对称是由于_____________造成的,通过图线可求得滑板的倾角θ=_____________(用反三角函数表示),滑块与滑板间的动摩擦因数μ=_____________。 
4、填空题 电信号通常分为两类:一类是电压随时间连续变化的模拟信号,另一类是电压随时间不连续变化的数字信号,图(甲)中的信号是______信号.现有一个简单的逻辑电路,在两个输入端A、B输入一定的电压信号后,在其输出端Z输出了如图(乙)所示的波形,由此可以判断,该门电路是______.
5、选择题 如图所示的门电路符号,下列说法中正确的是( )
A.甲为“非”门、乙为“与”门、丙为“或”门
B.甲为“与”门、乙为“或”门、丙为“非”门
C.甲为“非”门、乙为“或”门、丙为“与”门
D.甲为“或”门、乙为“与”门、丙为“非”门