时间:2017-09-23 22:53:17
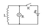
1、选择题 如图所示,线圈匝数足够多,其直流电阻为3欧,先合上电键K,过一段时间突然断开K,则下列说法中正确的有(?)
A.电灯立即熄灭
B.电灯不熄灭
C.电灯会逐渐熄灭,且电灯中电流方向与K断开前方向相同
D.电灯会逐渐熄灭,且电灯中电流方向与K断开前方向相反
2、选择题 不定项选择
如图,为地磁场磁感线的示意图在北半球地磁场的竖直分量向下。飞机在我国上空匀速巡航。机翼保持水平,飞行高度不变。由于地磁场的作用,金属机翼上有电势差设飞行员左方机翼末端处的电势为U1,右方机翼末端处的电势为U2( ? )

3、选择题 如图所示,有一闭合的等腰直角三角形导线ABC.若让它沿BA的方向匀速通过有明显边界的匀强磁场(场区宽度大于直角边长),以逆时针方向为正,从图示位置开始计时,在整个过程中,线框内的感应电流随时间变化的图象是图中的:( )
4、填空题 穿过单匝线圈的磁通量在一个周期内的变化情况如图所示,则此线圈中感应电动势的最大值为 V,最小值为 V,1s末的瞬时值为 V,有效值为 V。
5、填空题 将一条形磁铁插入螺线管线圈。第一次插入用0.2秒,第二次插入用1秒,则两次线圈中电流强度之比为__ 。