时间:2017-09-23 22:39:43
1、填空题 如图所示为某型号国产电池外壳上的说明文字:
(1)电源是把其它形式的能转化为______的装置,电动势是描述电源这种本领的物理量.由右图可知该电池的电动势为______V;
(2)该电池最多可放出______mA?h的电荷量.或电池的平均工作电流为0.05A,则它最多可使用______h.
参考答案:电源是通过非静电力做功,把其它形式的能转化为电能的装置,
从图中可得知该电池的电动势的大小为3.7V,电池的容量为700mAh,
当电池的平均工作电流为0.05A时,可以工作的时间为t=700mAh50mA=14h.
故答案为:电能;3.7;700;14.
本题解析:
本题难度:简单
2、选择题 在如图所示的电路中,R1、R2、R3和R4皆为定值电阻,R5为可变电阻,电源的电动势为E,内阻为r。设电流表A1的读数为I1,A2的读数为I2,电压表V的读数为U。当R5的滑触点向图中
端移动时(?)
A.I1变大,I2变小,U变小
B.I1变大,I2变小,U变大
C.I1变小,I2变大,U变小
D.I1变小,I2变大,U变大
参考答案:B
本题解析:
试题分析:当R5的滑动触点向图中b端移动时,R5变大,外电路总电阻变大,则由闭合电路欧姆定律知,总电流I2变小,路端电压变大,U变大.电路中并联部分电压变大,则I1变大.故B正确
本题难度:简单
3、选择题 在如图所示电路中,E为电源,其电动势E=9.0 V,内阻可忽略不计;AB为滑动变阻器,其电阻R=30 Ω;L为一小灯泡,其额定电压U=6.0 V,额定功率P=1.8 W;S为开关,开始时滑动变阻器的触头位于B端,现在接通开关S,然后将触头缓慢地向A端滑动,当到达某一位置C处时,小灯泡刚好正常发光,则CB之间的电阻应为
[? ]
A.10 Ω
B.20 Ω
C.15 Ω
D.5 Ω
参考答案:B
本题解析:
本题难度:一般
4、选择题 电阻R1、R2的I-U图象如图所示,则下列说法正确的是( )
A.R1:R2 =3:1
B.将R1与R2串联后接于电源上,则电压比U1:U2=1:3
C.将R1与R2并联后接于电源上,则电流比I1:I2=1:3
D.将R1与R2并联后接于电源上,则功率比P1:P2 =1:3
参考答案:B
本题解析:斜率为电阻的倒数,所以R1:R2 =1:3,所以A错误;串联到电源上,由
得:U1:U2=1:3,所以B正确;并联后接于电源上,由
得:I1:I2=3:1,所以C错误;并联后接于电源上,由
得:P1:P2 =3:1,所以D错误。
考点: 伏安特性曲线、欧姆定律、电功率、串并联电路。
本题难度:一般
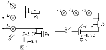
5、计算题 三只灯泡L1、L2和L3的额定电压分别为1.5 V、1.5 V和2.5 V,它们的额定电流都为0.3 A。若将它们连接成图1、图2所示电路,且灯泡都正常发光,
(1)试求图1电路的总电流和电阻R2消耗的电功率;
(2)分别计算两电路电源提供的电功率,并说明哪个电路更节能。 
参考答案:解:(1)由题意,在图1电路中:电路的总电流I总=IL1+IL2+IL3=0.9 A
=E- I总r=2.55 V
UR2=U路端-UL3=0.05 V
IR2= I总=0.9A
电阻R2消耗功率PR2=IR2UR2=0.045 W
(2)图1电源提供的电功率P总=I总E=0.9×3 W=2.7W
图2电源提供的电功率P′总=I′总E′=0.3×6W=1.8 W
由于灯泡都正常发光,两电路有用功率相等,而P′总<P总
所以,图2电路比图1电路节能
本题解析:
本题难度:一般