时间:2017-09-23 22:39:43
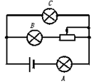
1、选择题 如图所示电路,总电压U保持不变,滑动变阻器总电阻为2R,当滑片位于变阻器中点O时,四个电流表A1、A2、A3、A4的示数相等,都等于I0,当滑片向左移到O"点时
[? ]
A.A1的示数大于I0
B.A2的示数大于I0
C.A3的示数大于I0
D.A4的示数大于I0
参考答案:BC
本题解析:
本题难度:一般
2、填空题 光敏电阻的阻值能随光照的强度而变化.有光照时,光敏电阻的阻值变小,电路中的电流______.
参考答案:有光照时,光敏电阻的阻值变小,根据欧姆定律I=UR,知电流增大.
故本题答案为:增大.
本题解析:
本题难度:一般
3、选择题 如图所示,当滑动变阻器滑动触头向右移动时,灯泡A、B、C的亮度将 ( )
A.都变亮 B..都变暗
C.A、B变暗,C变亮 D.A、B变亮,C变暗
参考答案:C
本题解析:当滑动变阻器滑动触头向右移动时,电阻变大,总电流变小,A变暗,内电阻与A两端电压变小,并联部分电压变大,C变亮。流过C的电流变大,流过B的电流变小,B变暗,C对。
本题难度:一般
4、选择题 两个电阻A、B的伏安特性曲线如图所示,从图线可以判断下列说法正确的是
A.电阻A的阻值小于电阻B
B.电阻A的阻值大于电阻B
C.电压相同时,流过电阻A的电流较小
D.两电阻串联时,电阻A消耗的功率较大
参考答案:A
本题解析:I-U图线的斜率表示电阻的倒数,A图线的斜率大,则A的电阻小,故B错误,A正确;电压相等时,由图线可知流过B的电流较小,故C错误;两电阻串联,电流相等,根据P=I2R得,B的电阻大,则电阻B消耗的功率较大,故D错误。故选:A.
考点:I-U图线;欧姆定律.
本题难度:一般
5、选择题
为探究小灯泡L的伏安特性,连好图示的电路后闭合开关,通过移动变阻器的滑片,使小灯泡中的电流由零开始逐渐增大,直到小灯泡正常发光。由电流表和电压表得到的多组读数描绘出的U-I图象应是 ( )

参考答案:C
本题解析:小灯泡的电阻随着温度或者电压的增大而增大,又因为U-I图像图线的斜率表示导体的电阻大小,所以A中的电阻随着电压增大而减小,BD中电阻不变,C中电阻随着电压增大而增大,故C正确
考点:考查了U-I图像
本题难度:一般