时间:2017-08-25 12:21:57
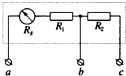
1、选择题 如图所示为有两个量程的电压表,当使用a、b两端点时,量程为1V;当使用a、c两端点时,量程为10V.已知电流表的内阻Rg为50Ω,满偏电流Ig为1mA.则R1和R2的电阻值( )
A.R1=950Ω,R2=9kΩ
B.R1=9kΩ,R2=950Ω
C.R1=9kΩ,R2=1kΩ
D.R1=1kΩ,R2=9kΩ
2、实验题 某同学利用图a所示电路来测量一节干电池的电动势和内电阻,根据实验数据绘得图b所示的U~I图线。
(1)由该图线可求得这节干电池的电动势E=_______________V、内电阻r=_________________Ω。 
(2)请在图b上画出电源输出功率最大时关于外电路电阻的U~I图线;
(3)请在图b上画出表示最大输出功率的面积。(用斜线表示) 
3、填空题 如图所示,在“测定电池的电动势和内电阻”的实验中:
(1)请你不改动已接导线,在(甲)图中把还需要连接的导线补上.
(2)说明闭合电键前,应使变阻器滑片处在______位置上.测得该电源的伏安特性曲线如图(乙)所示,则纵坐标表示的是该电路的______电压,
(3)该电源的电动势为______V,比真实值______;(填偏大或偏小或相等);内电阻为______Ω.比真实值______;(填偏大或偏小或相等).
4、填空题 一个量程为0~100μA的电流表,内阻为100Ω,再给它串联一个9900Ω的电阻,将它改装成电压表,改装后电压表的量程为______V.用它来测量一段电路两端的电压时,表盘指针如图所示,这段电路两端的电压是______v.
5、实验题 某同学用下列器材测定一节蓄电池的电动势和内电阻,蓄电池的电动势约为3V,内电阻很小。
A.量程是0.6A,内阻约为0.5Ω的电流表;
B.量程是3V,内阻是6 kΩ的电压表;
C.量程是15V,内阻是30kΩ的电压表;
D.阻值为0~1kΩ,额定电流为0.5A的滑动变阻器;
E.阻值为0~10Ω,额定电流为2A的滑动变阻器;
F.定值电阻4Ω,额定功率4W;
G.开关S一个,导线若干。
(1)为了减小实验误差,电压表应选择_________(填器材代号),电路图中的导线应连接到_________(填“①”或“②”),改变滑动变阻器阻值的时候,为了使电压表和电流表的读数变化比较明显,滑动变阻器应选择_________(填器材代号)。
(2)用上问中的实验电路进行测量,读出电压表和电流表的读数,画出对应的U-I图线如图中(a)所示,另有一电阻的U-I图线如图(b)所示。若把该电阻单独与这节蓄电池连接成闭合回路,电源两端的电压为_________v。(结果保留三位有效数字) 