时间:2017-08-25 11:37:25
1、选择题 如图(a)所示,一矩形线圈abcd放置在匀强磁场中,并绕过ab、cd中点的轴OO′以角速度ω逆时针匀速转动.若以线圈平面与磁场夹角θ=45°时[如图(b)]为计时起点,并规定当电流自a流向b时电流方向为正.则下列四幅图中正确的是(? )

2、选择题 


A.2.2
W
B.2.2
W
C.2.2
W
D.2.2
W
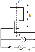
3、简答题 如图所示为交流发电机示意图,匝数为n=100匝的矩形线圈,边长分别为?10cm和20cm,内阻为?5Ω,在磁感应强度B=0.5T的匀强磁场中绕OO′轴以50
| 2 |

4、选择题 如图所示,一矩形线圈在匀强磁场中以角速度4π rad/s匀速转动,产生的交变电动势的图象如图,则(?)
?
A.交变电流的频率是4π Hz
B.当t=0时,线圈平面与磁感线平行
C.当t="0.5" s时,e有最大值
D.交流电的周期是0.5 s
5、选择题 不定项选择
一个矩形线圈在匀强磁场中转动产生交流电压为
,则( ? ? )
A.它的频率是50 Hz?
B.当t=0时,线圈平面与中性面重合
C.电压的平均值是220 V?
D.当t=1/200s时,电压达到最大值