时间:2017-08-22 03:04:14
1、选择题  图为万用表欧姆挡的原理示意图,其中电流表的满偏电流为300μA,内阻? rg=100Ω,调零电阻最大阻值R=50kΩ,串联的固定电阻R0=50Ω,电池电动势
ε=1.5V.用它测量电阻Rx,能准确测量的阻值范围是:(?)
A.30kΩ~80kΩ
B.3kΩ~8kΩ
C.300Ω~800Ω
D.30Ω~80Ω
2、简答题  A、B两个电压表,串联后接在一电源上,A的示数为4V,B的示数为2V.若将B单独接在该电源上,其示数为4V,则该电源的电动势为多大.
3、计算题  某课外小组设计了一种测定风速的装置,其原理如图所示。一个劲度系数k=120 N/m、自然长度L0=1 m的弹簧一端固定在墙上的M点,另一端N与导电的迎风板相连,弹簧穿在光滑水平放置的电阻率较大的金属杆上,弹簧是不导电的材料制成的。迎风板面积S=0.5 m2,工作时总是正对着风吹来的方向,电路的一端与迎风板相连,另一端在M点与金属杆相连,迎风板可在金属杆上滑动,且与金属杆接触良好。定值电阻R=1.0 Ω,电源的电动势E=12 V,内阻r=0.5 Ω。闭合开关,没有风吹时,弹簧处于原长,电压表的示数U1=9.0 V,某时刻由于风吹迎风板,电压表的示数变为U2=6.0 V。(电压表可看做理想表)求:
(1)金属杆单位长度的电阻; 
(2)此时作用在迎风板上的风力。 
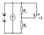
4、计算题  在如图所示的电路中,R1=2Ω,R2=4Ω,当电键K接a时,R2上消耗的电功率为4 W,当电键K接b时,电压表示数为4.5 V,试求: 
(1)电键K接a时,通过电源的电流和电源两端的电压; 
(2)电源的电动势和内电阻。
5、选择题  下图为测量某电源电动势和内阻时得到的U-I图线,用此电源与三个阻值均为3Ω的电阻连接成电路,测得路端电压为4.8V,则该电路可能为
[? ]
A.
B.
C.
D.