时间:2017-08-22 03:04:14
1、选择题 如图所示电路中,电源电动势为E、内阻为r,电阻R2、R3为定值电阻,R1为滑动变阻器,A、B为电容器的两个极板。当滑动变阻器R1处于某位置时,A、B两板间的带电油滴静止不动。则下列说法中正确的是

[? ]
参考答案:BC
本题解析:
本题难度:一般
2、选择题 在如图所示电路中,电源内阻不可忽略。开始时电键K1、K2均闭合,现先断开电键K1,则电压表与电流表的示数均发生变化,设它们的示数变化量之比为M1=DU1/DI1,再断开电键K2,两表新的示数变化量之比为M2=DU2/DI2,若已知R2<R3,则比较M1与M2的绝对值的大小应有: (?)
A.M1>M2;
B.M1=M2;
C.M1<M2;
D.无法确定
参考答案:B
本题解析:电压表测的是路端电压,电流表测的是通过电源的电流,由
可知
,即电源的内电阻。
断开电键K1,电压表与电流表的示数变化量之比
,由
可知
,同理可知
,即
。
故选B
点评:本题关键由路端电压与电流的关系
得出
。
本题难度:一般
3、填空题 下图是两个电池外壳上的说明文字,某型号进口电池的电动势是?伏。国产电池最多可放出?毫安时的电量;国产电池平均工作电流为0.03安,则最多可使用?小时。
参考答案:1.2V? 60? 2
本题解析:由图可知进口电池的电动势是1.2V,国产电池电荷量为60毫安时,使用时间
。
本题难度:简单
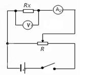
4、填空题 有一根细而均匀的导电材料样品(如图a所示),截面为同心圆环(如图b所示),此样品长约为6cm,电阻约为100Ω,已知这种材料的电阻率为
,因该样品的内径太小,无法直接测量.现提供以下实验器材:

A.20分度的游标卡尺
B.螺旋测微器
C.电压表V(量程3V,内阻约3kΩ)
D.电流表A1(量程50mA,内阻约20Ω)
E.电流表A2(量程0.3A,内阻约1Ω)
F.滑动变阻器R(0~20Ω,额定电流2A)G.直流电源E(约4V,内阻不计)
H.导电材料样品Rx
I.开关一只,导线若干
请根据上述器材设计一个尽可能精确地测量该样品内径d的实验方案,回答下列问题:
(1)用游标卡尺测得该样品的长度为L;用螺旋测微器测得该样品的外径如上图所示,其示数D=?mm.
(2)请选择合适的仪器,设计一个合理的电路图来 测量导电材料样品的电阻Rx.在方框内画出实验电路原理图,并标明所选器材的符号.这个实验电阻Rx的测量值将________(填“大于”、“等于”或“小于”)实际值.
(3)若某次实验中,电压表和电流表的读数分别为U和I,则用已知物理量和测得的物理量的符号来表示样品的内径d =?.
参考答案:(1)6.125±0.002?(2)作图如下?
小于?(3)
本题解析:(1)螺旋测微器测得该样品的外径d=6.0mm+12.5×0.01mm=6.125mm
(2)因两个电流表中,D电流表的满偏电流大于C电流表的满偏电流,又C电流表内阻为定值,根据欧姆定律与串并联知识,应将C电流表与待测材料并联后再与D电流表串联,又因滑动变阻器阻值太小应用分压式接法,可设计电路图如图所示.
电动势为4V,因此电压表选择V,根据
,可知电路中最大电流0.4A,因此电流表选择A2.
为了防止电流表烧坏,滑动变阻器采用分压接法,电流表采用外接法,具体电路图如下所示:
(3)根据欧姆定律得:
?①
导体的横街面积为:
?②
根据电阻定律有:
③
联立①②③解得:d=
,I为电流表读数、U为伏特表读数.
本题难度:一般
5、选择题 一个电源分别接上8 Ω和2 Ω的电阻时,两电阻消耗的电功率相等,则电源内阻为
[? ]
A.1Ω
B.2 Ω
C.4 Ω
D.8 Ω
参考答案:C
本题解析:
本题难度:一般