时间:2017-08-22 01:55:36
1、选择题 关于交流发电机的线圈在匀强磁场中转动产生的交流电,以下说法正确的是( )
A.线圈每转一周,感应电流的方向就改变一次
B.线圈每转一周,感应电动势和感应电流的方向都要改变一次
C.线圈平面每经过中性面一次,感应电流的方向就改变一次,感应电动势方向不变
D.线圈平面每经过中性面一次,感应电动势和感应电流的方向都要改变一次
2、简答题 如图,为小型旋转电枢式发电机原理图,其矩形线圈在匀强磁场中绕垂直于磁场方向的固定轴OO′匀速转动,线圈的匝数n=100、电阻r=10Ω,线圈的两端经集流环与电阻R连接,电阻R=90Ω,与R并联的交流电压表为理想电表.?在t=0时刻,线圈平面与磁场方向平行,穿过每匝线圈的磁通量Φ随时间t按图(乙)所示正弦规律变化.?求:
(1)从t=0时刻开始转动四分之一周期过程中感应电动势;
(2)从t=0时刻开始转动四分之一周期过程中流过电阻R的电量;
(3)电路中交流电压表的示数.
(4)从t=0时刻开始转一周过程外力对线圈所做的功.
3、选择题 一正弦交流电的电压随时间变化的规律如图所示,由图可知( ? )
A.该交流电的电压最大值为220
V
B.该交流电的电压有效值为220V
C.该交流电的周期为2s
D.该交流电在1s内方向改变100次
4、选择题 一只低压教学电源输出的交变电压瞬时值U=10
sin100πt(V),关于该电源的规格和使用,以下说法正确的是( )
A.此电源可以使“10V、2W“的灯泡正常发光
B.此电源的交变电压的周期是0.1s
C.此电源在t=0.01s时电压达到最大值
D.“10V、2μF”电容器不能接在这只电源上
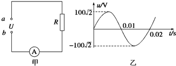
5、选择题 如图甲所示电路,电阻R的阻值为50Ω,在ab间加上图乙所示的正弦交流电,则下面说法中错误的是( )
A.交流电压的有效值为100?V
B.电流表示数为2?A
C.如果产生该交流电的线圈转速提高一倍,则电流表的示数也增大一倍
D.产生该交流电的线圈在磁场中转动的角速度为3.14?rad/s