高中地理知识点大全《大气受热过程》试题强化练习(2017年最新版)(四)

时间:2017-07-17 18:42:39

微信搜索关注"91考试网"公众号,领30元,获取事业编教师公务员等考试资料40G

1、单选题  下图为2012年1月12日至2月9日我国某地气象站每天早晨8时积雪深度、无雪地温和雪盖地温变化统计图。读图完成下列问题。

小题1:依据图示信息做出的判断,正确的是
A.积雪越深,无雪地温越低 
B.积雪与地温之间没有明显相关性
C.天气晴朗,无雪地温偏高 
D.无雪地温比雪盖地温变化幅度大
小题2:下列日期,该地天气晴朗的是
A.1月17日
B.1月28日
C.1月31日
D.2月9日



2、单选题  下列不属于影响地面辐射大小的因素是
[? ]
A、纬度
B、气温
C、下垫面
D、气象



3、单选题  读该表,表中反映对流层大气中某些气体发生了变化,则

A.大气吸收太阳辐射的能力减弱
B.大气吸收地面辐射的能力减弱
C.大气吸收地面辐射的能力增强
D.地面吸收太阳辐射的能力增强



4、多选题  ? 大气中二氧化碳含量增多导致全球气候变化,已成为全球关注的热点问题。下图为地球热量平衡示意图。读图回答1—2题。

1、二氧化碳含量增多,导致大气对地面保温作用增强。下列数字所示环节与大气保温作用直接相关的有
[? ]
A、①
B、②
C、③
D、④
2、全球气候变化对粮食生产产生较大影响,其主要原因是
[? ]
A、作物的生长发育受到影响
B、旱涝灾害增多
C、某些物种灭绝
D、土壤肥力下降



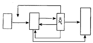
5、填表题  请你完成“大气热力作用相关知识联系框图”,将下列项目的序号填入图中的方框和带箭头的线上。
A.地面 B.地面辐射 C.大气辐射 D.大气逆辐射 E.宇宙空间
F.太阳 G.保温作用 H.太阳辐射 I.削弱作用




首页 上页 3 4 5 下页 尾页 4/10/10
微信搜索关注"91考试网"公众号,领30元,获取公务员事业编教师考试资料40G
【省市县地区导航】【考试题库导航】
 ★ 高考省级导航 ★ 
全国 A安徽 B北京 C重庆 F福建 G广东 广西 甘肃 贵州 H河南 河北 湖南 湖北 黑龙江 海南 J江苏 江西 吉林 L辽宁 N内蒙古 宁夏 Q青海 S山东 山西 陕西 四川 上海 T天津 X新疆 西藏 Y云南 Z浙江
 ★ 高考信息汇总 ★ 
 ★ 高考历年真题 ★ 
 ★ 高考历年真题 ★ 
 ★ 高考题库 ★ 
 ★ 高考题库 ★ 

电脑版  |  手机版  |  返回顶部