时间:2019-12-22 03:37:44
1、单选题 在2009年金融风暴中,图中岛国的总理说:“……我们拥有绝佳的资源,大量的绿色能源,现在我们应该多多利用这些资源……”。
读图9完成25~26题。
小题1:该国总理提到的“绿色能源”是指
A.太阳能
B.潮汐能
C.水能
D.地热能
小题2:该国多这种“绿色能源”的原因是
A.位于大西洋板块的生长边界,岩浆活动频繁
B.受北大西洋暖流影响,地下水水温比较高
C.位于温带海洋性气候区,降水的水温比较高
D.位于亚欧板块与美洲板块之间的生长边界,岩浆活动频繁
参考答案:
小题1:D
小题2:D
本题解析:略
本题难度:简单
2、单选题 下表反映了四个省区煤炭、太阳辐射能、天然气、水四种资源的丰歉程度(★号越多代表资源分布越丰富),据此回答:
| ? | 甲 | 乙 | 丙 | 丁 |
| 新 | ★★ | ★★★★ | ? | ★★★★ |
| 陕 | ★★★★ | ★★★ | ★★ | ★★★ |
| 川 | ★★ | ★ | ★★★★ | ★★★★ |
| 粤 | ★ | ★★ | ★★★★ | ★ |
参考答案:
1.D
2.B
本题解析:
1.甲是煤炭,乙是太阳辐射能,丙是水资源,丁是天然气。
2.新疆深居内陆,气候干燥,太阳辐射强;四川云雾多,太阳辐射弱。
本题难度:简单
3、单选题 下列物质中属于自然资源的是
[? ]
A、粮食
B、水能
C、钢材
D、蔗糖
参考答案:B
本题解析:
本题难度:简单
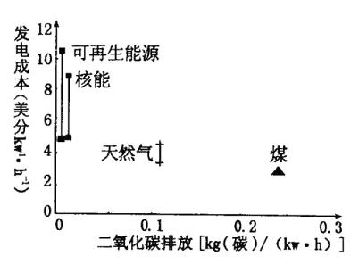
4、单选题 读几种能源的发电成本和二氧化碳的排放量图,完成36~38题。
小题1:图中发电成本最低、二氧化碳排放量最多的能源是?
A.煤
B.核能
C.天然气
D.可再生能源
小题2:考虑二氧化碳和发电成本因素,目前最受欢迎的能源应该是?
A.煤
B.核能
C.天然气
D.可再生能源
小题3:“加快发展核电、可再生能源和大力发展水电”是“十一五”规划“多元战略”的主要内容。关于下列地区应重点发展的能源,叙述正确的是
A.内蒙古高原和四川盆地应该大力发展风能发电
B.青藏高原地区和新疆应该充分利用生物能
C.东南沿海工业发达地区可以重点发展核能
D.海南岛和台湾岛应该大力发展太阳能
参考答案:
小题1:A
小题2:C
小题3:C
本题解析:略
本题难度:简单
5、单选题 根据自然资源的自我再生性质,下列哪一种资源属于非可再生资源:
A.生物资源
B.土地资源
C.气候资源
D.矿产资源
参考答案:D
本题解析:
本题难度:困难