高考地理知识大全《水的运动》考点预测(2019年押题版)(三)

时间:2019-06-28 15:36:30

微信搜索关注"91考试网"公众号,领30元,获取事业编教师公务员等考试资料40G

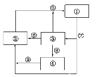
1、单选题  读水循环示意图,回答下列各题。

【小题1】若图中数码①②③④表示海洋水、大气水、地表水和地下水,则数码①②③④依次表示(    )
A.海洋水、大气水、地表水、地下水
B.大气水、海洋水、地表水、地下水
C.海洋水、大气水、地下水、地表水
D.大气水、海洋水、地下水、地表水
【小题2】若图中数码⑤⑥⑦⑧⑨表示水循环的各个环节,则数码⑤⑥⑦⑧依次表示(    )
A.降水、蒸发、地表径流、下渗
B.蒸发、降水、地表径流、下渗
C.降水、蒸发、下渗、地表径流
D.蒸发、地表径流、降水、下渗


参考答案:
【小题1】B
【小题2】D


本题解析:
【小题1】水循环过程实际上就是海洋水、大气水、地表水、地下水之间的相互转化过程。解题时可采用尝试法解题,把四者填进去以后,结合水循环的环节,看其是否符合水循环的过程。故选B。
【小题2】根据上题的结论可知,由海洋水转化成大气水的环节⑤表示蒸发;由地表水转化成海洋水的环节⑥表示地表径流;⑦表示大气水转化成地表水和海洋水的降水环节;⑧表示地表水下渗环节。故选D。
点评:不同水体之间的关系。


本题难度:简单



2、单选题  使水资源得以再生的水循环是(? )
A.陆间水循环
B.内陆循环
C.海上内循环
D.地空间水循环


参考答案:A


本题解析:水循环按其发生的领域可分为海陆间水循环、内陆循环、海上内循环,不存在所谓的:地空间水循环,海陆间水循环发生在海洋与陆地之间,它把海洋上的水通过水汽输送送到了陆地上空,再通过大气降水,使陆地水不断地得到更新和补充。海上内循环只发生在海洋上,内陆也只发生在陆地上(包括内流区与外流区),不能实现陆地水的再生、更新。故选A
点评:本题主要考查考生对水循环的概念、发生的领域及其意义的理解,属于概念性题目,试题难度小。


本题难度:一般



3、单选题   图中a、b为流经该海域的洋流。读图回答下列问题。

【小题1】、M地沿海海域因(    )
A 上升补偿流形成大渔场
B 千岛寒流与日本暖流交汇形成大渔场
C 拉布拉多寒流与北大西洋暖流交汇形成大渔场
D 加那利寒流与南赤道暖流动交汇形成大渔场
【小题2】、M处的气候向低纬延伸的原因是(    )
A 南赤道暖流的影响         B 西风的影响
C 秘鲁寒流的影响           D 山脉阻挡影响


参考答案:
【小题1】A
【小题2】C


本题解析:
【小题1】从经纬度可以判断此地时南美洲西海岸,a是秘鲁寒流,b是上升流。M地是由于上升流而形成的渔场。
【小题2】M处气候向低位延伸主要是由于该地秘鲁寒流降温减湿作用的影响。
考点:本题考查洋流对地理环境的影响。


本题难度:一般



4、单选题  读某河流径流特征与降水、气温的关系示意图,回答4~5题。

小题1:该河流
A.径流季节分配比较均匀
B.河水稳定补给地下潜水
C.冬季封冻断流
D.以雨水补给为主
小题2:该河所在的地区可能是
A.恒河平原
B.亚马孙平原
C.巴西高原
D.密西西比河平原


参考答案:
小题1:D
小题2:A


本题解析:
小题1:根据气候类型判断的三步骤,该地属于热带季风气候,以雨水补给为主;径流量大值出现在夏秋季节;夏季河水稳定补给地下潜水、冬季地下潜水补给河水。
小题2:该地属于热带季风气候,所在的地区可能是恒河平原。


本题难度:一般



5、单选题  读我国东部季风区、东北地区、西北内陆地区、南部沿海地区河流流量过程曲线图,完成下列各题。

小题1:上面四幅图中表示西北内陆地区河流流量过程的曲线是(?)
A.①
B.②
C.③
D.④
小题2:②③图中河流1~2月断流的原因是(?)
A.降水少
B.气温低
C.用水量大
D.地下水补给少


参考答案:
小题1:C?
小题2:B


本题解析:
小题1:西北内陆地区,是我国的非季风区,河流补给水源以高山冰雪融水为主,冬季气温低,冰雪不能融化,河流径流量为0,即出现断流现象。只有一个夏汛,读四幅图,只有③图现象符合,C对。①图降水集中在7、8月份,应是东部季风区河流,A错。②处有春汛、夏汛两个汛期,是东北地区河流,B错。④雨季长,雨量大,是南部沿海地区河流,D错。
小题2:结合前面分析,②、③两图1-2月份都有断流现象,相同原因是气温低,②地是因冬季气温低,大气降水少,河流结冰,所以断流。③是冬季气温低,冰雪不能融化,所以河流断流。B对。A、C、D错。


本题难度:简单




首页 上页 2 3 4 下页 尾页 3/10/10
微信搜索关注"91考试网"公众号,领30元,获取公务员事业编教师考试资料40G
【省市县地区导航】【考试题库导航】
 ★ 高考省级导航 ★ 
全国 A安徽 B北京 C重庆 F福建 G广东 广西 甘肃 贵州 H河南 河北 湖南 湖北 黑龙江 海南 J江苏 江西 吉林 L辽宁 N内蒙古 宁夏 Q青海 S山东 山西 陕西 四川 上海 T天津 X新疆 西藏 Y云南 Z浙江
 ★ 高考信息汇总 ★ 
 ★ 高考历年真题 ★ 
 ★ 高考历年真题 ★ 
 ★ 高考题库 ★ 
 ★ 高考题库 ★ 

电脑版  |  手机版  |  返回顶部