时间:2017-07-11 01:30:12
1、选择题 下表是对某生态系统营养级和能量流动情况的调查结果,表中甲、乙、丙、丁分别代表不同的营养级,戊为分解者[单位:102kJ/(m2·a)]。下列说法正确的是
[? ]
A.丁为肉食性动物
B.流经该生态系统的总能量为乙所同化固定的能量总量
C.甲随丙的增加而增加
D.若丙灭绝,首先受害的是甲
2、连线题 放牧强度可影响人工草地的物质循环和能量流动。图1是亚热带某人工草地在不同放牧强度下牧草净光合产量(净光合产量=光合作用合成量—呼吸作用消耗量)的变化图,G0为不放牧,G1-G3为放牧强度逐渐增强。
据图回答:
(1)5-10月份的最适放牧强度是______(从G0-G3中选填),______月份可被初级消费者利用的总能量最多。
(2)与放牧草地相比,8月份不放牧草地净光合产量明显偏低的原因有___________(多选)。
A.过多枝叶对下层植物有遮光作用? B.植株衰老组织较多
C.缺少动物粪尿的施肥作用? D.草地生态系统的物质循环加快
(3)据图1分析,为使牧草净光合产量维持在最高水平,4~10月份需要采取的放牧措施是__________。
(4)牧草的光合作用强度可用单位时间和面积的___________________来表示。
(5)在牧草上喷32P标记的磷肥,检测32P在初级和次级消费者中的放射强度,结果见图2,其中A消费者处于第__________营养级。
(6)在生态系统的生物成分中,生产者体内的32P除被消费者利用外,还有部分进入___________。
3、选择题 在一个生态系统中,已知初级消费者和次级消费者的个体数目分别是N1、N2,个体平均重量为M1、M2。下列选项中正确的是
[? ]
A.N1·M1=N2·M2
B.N1·M1>N2·M2
C.N1·M1<N2·M2
D.N1·M1≥N2·M2
4、选择题 对于绿色植物来说,与生态系统碳循环密切相关的生理过程是
①渗透吸水 ②吸胀吸水 ③光合作用 ④蒸腾作用 ⑤矿质元素的吸收 ⑥呼吸作用 ⑦顶端优势
[? ]
A.②⑤
B.③④
C.①⑦
D.③⑥
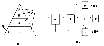
5、连线题 下图1为某湖泊生态系统的能量金字塔简图,其中Ⅰ、Ⅱ、Ⅲ、Ⅳ分别代表不同的营养级,m1、m2代表不同的能量形式。图2表示能量流经该生态系统某一营养级的变化示意图,其中a~g表示能量值的多少。请据图作答: 
(1)图l中,m1、m2表示的能量形式分别为_______、________。通常情况下,位于营养级Ⅳ的生物个体数量一般远远少于Ⅲ,主要原因是___________________。
(2)图2中,若A表示图1中营养级Ⅱ所摄人的全部能量,则B表示_______,C表示_______。若图1中营养级I所固定的太阳能总量为y,由营养级Ⅰ、Ⅱ间的能量传递效率是_______(用图中所给字母的表达式表示)。
(3)由图2可以总结出生态系统能量流动的主要特点是________________。

答案及详细解析请点下一页查看。