时间:2017-07-11 00:31:10
1、选择题 农业是温室气体的重要排放来源之一。随着全球气候暖化加剧,土地耕作方式越来越受关注。下列叙述错误的是
[? ]
A.长期种植同种作物,土壤肥力会下降,为不伤地,农业生产中常采用轮作方法进行耕种
B.影响农作物产量的环境因素只有土壤肥力、水分、光照、大气CO2浓度
C.松土可以增加土壤的透气性,有利于农作物的生长。但是,松土易造成水土流失,可能诱发沙尘暴;同时松土会促进土壤微生物的呼吸作用,从而加剧温室效应
D.免耕法是不用或尽量少用松土措施。免耕水稻叶片中的氮素含量比翻耕水稻更高,细胞吸收的氮素可以用于合成蛋白质、核酸等
参考答案:B
本题解析:
本题难度:简单
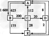
2、连线题 下图是某草原生态系统的模式图,字母代表生态系统的组成成分,数字代表能量数值,单位是J/(cm2·a)。请回答下列问题:
(1)在一定时间内,B、C、D所代表的生物种类和数量保持相对稳定,说明该生态系统具有一定的______。该草原生态系统中C的数量受到______(填字母)的限制,如果该草原生态系统中D的数目大量减少,生产者的数量将________。
(2)图中揭示生态系统的主要功能是_____________,维持该生态系统正常功能的最终能量来源是__________。
(3)已知B、C固定的能量分别是1600J/(cm2·a)、200J/(cm2·a),在面积为100cm2的范围内,初级消费者每年未利用的能量数值为______J;次级消费者增加50kg,需要生产者____kg。
参考答案:(1)自我调节能力(稳定性)? ?B、D? ?减少(或先减少后趋于平衡)
(2)能量流动和物质循环? ?太阳能
(3)4000? 4000
本题解析:
本题难度:一般
3、选择题 建立生态农业时巧设、增设食物链的目的不包括
[? ]
参考答案:D
本题解析:
本题难度:一般
4、选择题 有人同时养鼠和水貂,先用鼠喂水貂,获取水貂的毛皮后再用水貂肉喂鼠,这样是否可以不再用额外的食物喂鼠了
[? ]
参考答案:D
本题解析:
本题难度:一般
5、选择题 在腾讯QQ农场、玫瑰小镇等游戏中,玩家往往要进行浇水、施肥、锄草、灭虫等虚拟农业活动。下列有关这些生产实践的叙述中不正确的是
[? ]
A.植物生命活动离不开水和无机盐
B.作物、杂草和害虫构成了农田生态系统的生物部分
C.灭虫主要是为了调整能量流动的方向
D.锄草可减轻种间竞争,利于作物生长
参考答案:B
本题解析:
本题难度:一般