时间:2020-01-18 13:40:05
1、选择题 关于下列四图的叙述中,正确的是

[? ]
参考答案:C
本题解析:
本题难度:一般
2、选择题 有3个核酸分子,共有5种碱基、8种核苷酸、4条核苷酸链,它的组成是
[? ]
A.1个DNA分子,2个RNA分子
B.2个DNA分子,1个RNA分子
C.3个RNA分子
D.3个DNA分子
参考答案:A
本题解析:
本题难度:简单
3、连线题 完成下面有关核酸分子的概念图,将有关内容填入圈内。

参考答案:
本题解析:
本题难度:一般
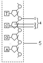
4、连线题 下图是某核苷酸链示意图,据图回答问题:
(1)1、2、3的名称分别是_________、_________、___________。
(2)4、5分别代表__________、___________。
参考答案:(1)磷酸 ? 脱氧核糖? ?含氮碱基
(2)胞嘧啶脱氧核苷酸? ?脱氧核苷酸链
本题解析:
本题难度:一般
5、选择题 由一分子含氮碱基、一分子磷酸、一分子化合物A构成复杂化合物B,对A、B准确叙述是
[? ]
A.A是核糖B为核苷酸
B.A是脱氧核糖B脱氧核糖核酸
C.A是核糖B为核糖核苷酸
D.A是五碳糖B为核苷酸
参考答案:D
本题解析:
本题难度:简单