高考生物知识点总结《生态系统中能量流动的基本规律及应用》高频考点预测(2019年最新版)(五)

时间:2019-06-23 05:13:34

微信搜索关注"91考试网"公众号,领30元,获取事业编教师公务员等考试资料40G

1、选择题  研究某水域生态系统中藻类(假设是唯一生产者)固定太阳能的状况,可先把藻类从已知水体中过滤出来,测定藻类的生物量,并据此推算出该生态系统中藻类光合作用固定的太阳能。以下叙述正确的是
[? ]
A.生态系统在光照强度适宜时,可成倍提高能量流动的传递效率?
B.藻类细胞中所含色素的种类和比例与水域深度无关?
C.藻类固定太阳能的同时不一定都伴随物质循环发生?
D.流经该生态系统的总能量取决于藻类所固定的太阳能


参考答案:D


本题解析:


本题难度:一般



2、填空题  近年来,我国新农村建设的重要举措之一是大力推广“养殖业沼气种植业”农业生产模式。农户利用家禽、家畜粪便和农作物秸秆生产沼气,沼渣可做肥料。请回答:
(1)建立这一农业生产模式所依据的生态学原理是__________。
(2)请用箭头和文字完善该农业生产模式的能量利用示意图。

(3)人和家禽是___________关系,沼气池中的微生物属于该生态系统的______________。
(4)农户原来的食物配比为农作物:家禽:家畜=1:1:1,现将该配比调整为3:2:1,则农作物的供给量是原来的_________倍。(能量传递效率按10%计算,结果精确到小数点后两位数字)


参考答案:(1)能量的多级利用与物质的循环再生
(2)

(3)捕食和竞争? 分解者
(4)0.79


本题解析:


本题难度:一般



3、选择题  火灾常给森林带来较大危害,但是在某些国家有时对寒带地区森林中的残枝落叶等进行有限度的人工火烧,以对森林进行资源管理,这种人工火烧的主要目的是

[? ]


A.消灭森林病虫害
B.刺激树木种子萌发
C.加速生态系统的分解过程
D.提高森林的蓄水能力


参考答案:C


本题解析:


本题难度:简单



4、选择题  下表是一个相对封闭的生态系统中五个种群(存在着营养关系)的能量调查情况,图①~④是根据该表数据作出的一些分析,其中与表中数据不相符合的是

[? ]
A.①③
B.②③
C.②④
D.①④


参考答案:A


本题解析:


本题难度:一般



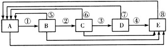
5、连线题  生态系统中生物与环境之间,生物不同个体之间存在着能量流动、物质循环及信息传递,三者的相互协调,是生态系统正常运转的动因,是生态系统的基本功能。下图是某生态系统中碳循环的示意图,图中A表示化学物质,B、C、D、E表示生态系统中的不同生物,请据图回答下列问题。

(1)图中A、D依次表示的是______________,E表示的是分解者。
(2)在物质循环过程中,过程①⑤⑥⑦⑧表示生物群落与无机环境间的物质交换是以__________(填“无机碳”或“有机碳”)的形式进行。该过程的意义是__________的相对稳定。
(3)生态系统中能量流动的特点是______________。若该生态系统中能量流动的效率是20%,D生物增加5kg体重,需要B生物____________kg。
(4)生态系统中各生物间通过信息传递保持相互联系,其中蜜蜂发现蜜源后跳摆尾舞(或鸟类的求偶行为)属于__________信息。


参考答案:(1)二氧化碳、次级消费者?
(2)无机碳? 维持生态系统?
(3)单向流动、逐级递减? ?125?
(4)行为


本题解析:


本题难度:一般




首页 上页 4 5 6 下页 尾页 5/10/10
微信搜索关注"91考试网"公众号,领30元,获取公务员事业编教师考试资料40G
【省市县地区导航】【考试题库导航】
 ★ 高考省级导航 ★ 
全国 A安徽 B北京 C重庆 F福建 G广东 广西 甘肃 贵州 H河南 河北 湖南 湖北 黑龙江 海南 J江苏 江西 吉林 L辽宁 N内蒙古 宁夏 Q青海 S山东 山西 陕西 四川 上海 T天津 X新疆 西藏 Y云南 Z浙江
 ★ 高考信息汇总 ★ 
 ★ 高考历年真题 ★ 
 ★ 高考历年真题 ★ 
 ★ 高考题库 ★ 
 ★ 高考题库 ★ 

电脑版  |  手机版  |  返回顶部