时间:2017-08-08 05:47:01
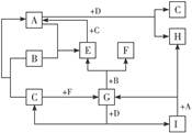
1、填空题 有A、B、C、D、E、F、G、H、I九种常见物质。已知:①其中只有B、C、F为单质,且常温常压下,B为固态,C、F为气态;②化合物中仅A、E为气态;③在常温下,D为淡黄色粉末;④H的焰色反应呈黄色。它们的转化关系(反应条件未注明)如图所示:
试完成下列问题:
(1)写出A与D反应的化学方程式:______________________________________________。
(2)写出B与G反应的化学方程式:______________________________________________。
(3)写出D的电子式和A的结构式:______________________________________________。
(4)用电子式表示G的形成过程。________________________________________________。
2、填空题 (15分)下列图中A-F是中学化学常见化合物,且A﹑B﹑E﹑F均含有相同一种金属元素,G是一种常见单质。
①A(固体)
B + C + D?②C + E → B + G;?③ D + E → F + G
④A(溶液)+F(溶液)→B(溶液)+D?⑤B(溶液) + C + D → A(溶液)
(1)写出A﹑B﹑C﹑E﹑F的化学式:A__________ B_________ C__________
E__________ F__________(5分)
(2)写出反应①②④⑤的化学方程式:
①_________________________________________________(2分)
②_________________________________________________(2分)
④_________________________________________________(2分)
⑤_________________________________________________(2分)
(3)请写出化合物E的两种重要用途:____________________________(2分)
3、填空题 下列框图所示的物质转化关系中,甲是日常生活中常见的金属,乙、丙、丁是常见的气体单质。气体B与气体C相遇产生大量的白烟生成E,A是强碱,D的焰色为紫色 (部分反应物和生成物及水已略去)。
请回答下列问题
(1)写出工业制备B的化学方程式_____________________________________;
(2)写出常温下,A与丁反应的离子方程式________________________________;
(3)下图装置为用排空气法收集气体的实验装置
Ⅰ.当从M端通入气体时,可收集的气体有?;
Ⅱ.当从N端通入气体时,可收集的气体有 ?; (填数字编号)
①气体乙?②气体丙?③气体丁?④气体B?⑤气体C?
(4)E中所含阳离子的检验方法为(包括实验步骤、现象及结论)?;
(5)A中所含阳离子的检验方法为(包括实验步骤、现象及结论)?。
4、填空题 (9分)A、B、C、D、E 5种元素,已知:
①A原子最外层电子数是次外层电子数的2倍,B的阴离子与C的阳离子跟氖原子的电子层结构相同。E原子M层上的电子比K层多5个。
②常温下B2是气体,它对氢气的相对密度是16。
③C的单质在B2中燃烧,生成淡黄色固体F。F与AB2反应可生成B2。
④D的单质在B2中燃烧,发出淡紫色火焰,生成有刺激性气味的气体DB2。DB2中D的质量分数为50%。根据以上情况回答:
(1)A是______、B是______、C是______、D是______、E是______(写元素符号)。
(2)E的原子结构示意图__________,C的离子结构示意图__________。
(3)F和AB2反应的化学方程式________________________________________________。
5、推断题 下图是部分短周期元素的单质及其化合物的转化关系图(有关反应的条件及生成的H2O已略去),
已知:(a)A、B、C、D是非金属单质,其中B、C、D在常温常压下是气体。
(b)反应①、②是化工生产中的重要反应。
(c)化合物E是形成酸雨的污染物之一,化合物K是常用的氮肥。
(d)化合物L具有漂白性,可由Cl2与NaOH溶液反应而制得。
(e)化合物J由两种元素组成,其相对分子质量为32。 
请按要求填空:
(1)反应③的化学方程式_________________。
(2)C的结构式___________;H的化学式___________。
(3)L的溶液与化合物E反应的离子方程式_________________。
(4)化合物J的化学式_________________。