时间:2017-02-02 06:26:16
1、推断题 A~I分别表示中学化学中常见的一种物质,它 们之间相互关系如下图所示(部分反应物、生成物没有列出),且已知G为主族元 素的固态氧化物,A、B、C、D、E、F六种物质中均含同一种元素。请填写下列空白:? 
(1)A、B、C、D、E、F六种物质中所含同一种元素在周期表中位置____。
(2)写出C、G物质的化学式:C___;G___。
(3)写出①、④、⑥反应的化学方程式: 反应①:____;反应④:___; 反应⑥:___。
参考答案:(1)第四周期Ⅷ族
(2) FeCl2 ;Al2O3<
本题解析:
本题难度:一般
2、推断题 下列①-⑩分别代表有关反应中的一种物质,它们均是中学化学中常见物质。已知①-⑤和⑥-⑩分别含有同一种元素: 
(1)分别写出①、④、⑧、⑩的化学式或离子符号: ①______;④_______;⑧_______;⑩______。
(2)写出下列反应方程式,是离子反应的写出离子方程式:
① + OH-
________________________。
① + ⑥
_____________________。
参考答案:(1) ①Al ;④Al(OH)3; ⑧Fe2+ ;⑩Fe(
本题解析:
本题难度:一般
3、推断题 单质X、Y与化合物甲、乙有如图所示的转化关系(必要的反应条件未标出),回答下列问题:
(1)若该反应用于工业上制取粗硅,写出化学方程式________??????????????????????????。
(2)若X、Y为日常生活中常见的两种金属,且甲为红棕色粉末,相应的化学方程式为___?????????????????。乙分别溶解于适量的盐酸和NaOH溶液中,将所得两种溶液加热蒸干并灼烧,最终所得固体的化学式分别是____??????????、____?????????。
(3)若X、乙焰色反应均呈黄色,甲是一种常见的无色无味的液体,则乙物质中所含的化学键类型有____?????????????????????。
(4)若X是黄绿色气体,甲、乙两种气体相遇会产生白烟。甲与X反应的化学方程式为???????????????????????????????????????。
(5)若该反应为Cu+2H2O=Cu(OH)2+H2↑,请在答题纸中将下图补画完整,构成闭合回路,使该装置能够发生该置换反应。你所画出的装置中实现的主要能量转化形式为???????????转化为??????????????。
参考答案:
(1)2C+SiO2本题解析:
试题解析:(1)工业上制取粗硅是用单质碳与粗硅反应。
(2)日常生活常见金属为Fe、Al,甲为红棕色粉末则甲为Fe2O3,该反应为铝热反应,则X为Al,Y为Fe,乙为Al2O3。Al2O3溶于盐酸得到AlCl3,加热蒸干溶液过程中Al3+水解,生成的HCl挥发,最终得到Al(OH)3,再灼烧得到Al2O3;Al2O3溶于NaOH得到NaAlO2,蒸干、灼烧最终得到的仍是NaAlO2。
(3)X焰色反应为黄色,则X为Na,甲为常见无色无味液体,甲为水,则Y为H2,乙为NaOH。NaOH中
本题难度:一般
4、填空题 (10分)A、B、C、D、E、F六种物质的转化关系如图所示(反应条件和部分产物未标出)。
(1)若A为短周期金属单质,D为短周期非金属单质,且所含元素的原子序数A是D的2倍,所含元素的原子最外层电子数D是A的2倍,F的浓溶液与A、D反应都有红棕色气体生成,则A的原子结构示意图为________,反应④的化学方程式为______________________________。
(2)若A是常见的变价金属的单质,D、F是气态单质,且反应①在水溶液中进行。反应②也在水溶液中进行,其离子方程式是__________________________________,
用电子式表示化合物B的形成过程:_______________________________。
(3)若A、D、F都是短周期非金属元素单质,且A、D所含元素同主族,A、F所含元素
同周期,则反应①的化学方程式为___________________________________。
(3)同族非金属元素之间相互置换的一般是第ⅣA、第ⅥA、第ⅦA。
参考答案:(1)本题解析:(1)反应①属于置换反应,且为金属置换非金属的反应。又因为所含元素的原子序数A是D的2倍,所含元素的原子最外层电子数D是A的2倍,因此符合条件的只有镁置换碳,即镁在二氧化碳中燃烧生成单质碳。红棕色气体是二氧化氮,所以F是硝酸。反应④的化学方程式为
。
(2)常见的变价金属是铁,根据转化图可以得出ABCDER
本题难度:简单
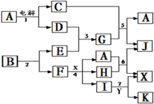
5、简答题 下图中A是一种无色液体,G是一种极易溶于水的碱性气体,Y是胃酸的主要成分,K是不溶于稀硝酸的白色沉淀,反应5是工业制X的主要反应之一.
请按要求填空:
(1)写出下列物质的化学式
A?、E?、F?、K?;
(2)写出反应5的化学方程式?
(3)1molB通过反应2得到1molF,B中F的质量分数为72%,则B的化学式为?.
(4)写出反应4的离子方程式?.
参考答案:A是一种无色液体,A为H2O,G是一种极易溶于水的碱性气体,
本题解析:
本题难度:一般