时间:2016-12-23 23:57:25
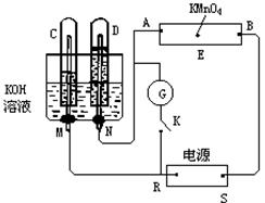
填空题 如图,E为沾有Na2SO4溶液的滤纸,并加入几滴酚酞。A,B分别为Pt片,压在滤纸两端,R、S为电池的电极。M、N是用多微孔的Ni的电极材料,它在碱溶液中可以视为惰性电极。G为电流计,K为开关。C、D和电解池中都充满浓KOH溶液。若在滤纸中央点上一滴紫色的KMnO4溶液,K打开,接通电源一段时间 后,C、D中有气体产生 。
(1)外电源的正、负极分别是R为____,S为_____。
(2)A附近溶液的现象是_______,B附近发生的电极反应式为 。
(3)滤纸上的紫色点向哪方移动 (填A或B)。
(4)当C、D里的气体产生到一定量时,切断外电源并接通开关K,经过一段时间,C、D中气体逐渐减少,主要因为 , 有关的电极反应式为 。
填空题 如图,E为沾有Na2SO4溶液的滤纸,并加入几滴酚酞。A,B分别为Pt片,压在滤纸两端,R、S为电池的电极。M、N是用多微孔的Ni的电极材料,它在碱溶液中可以视为惰性电极。G为电流计,K为开关。C、D和电解池中都充满浓KOH溶液。若在滤纸中央点上一滴紫色的KMnO4溶液,K打开,接通电源一段时间后,C、D中有气体产生 。
(1)外电源的正、负极分别是R为____,S为_____。
(2)A附近溶液的现象是_______,B附近发生的电极反应式为 。
(3)滤纸上的紫色点向哪方移动 www.91exAm.org60; (填A或B)。
(4)当C、D里的气体产生到一定量时,切断外电源并接通开关K,经过一段时间,C、D中气体逐渐减少,主要因为 , 有关的电极反应式为 。
本题答案:(1)负;正;
(2)变红;4OH--4 e-= 2O
本题解析:
试题分析:该图是一个电解池装置,实际电解水,根据图表中产生气体体积的差异,可判断C中为氢气,D中为氧气,则R为负极,S为正极,正极发生电极反应:4OH--4 e-= 2O2↑+H2O,所以A附近溶液变红色。由于电子定向移动从A到B,所以滤纸上的紫色点向B移动。
(4)当C、D里的气体产生到一定量时,切断外电源并接通开关K,经过一段时间,C、D中气体逐渐减少,主要因为发生原电池反应,类似与氢氧燃料电池,消耗了氢气和氧气,有关的电极反应式为负极:2H2-4 e-+4OH- = 4H2O ;正极: 2O2+H2O-4 e- = 4OH-:
考点:电解池原理;原电池
点评:综合考查电解池和原电池知识,灵活性较大,但难度不大,解题的关键要活用电解池及原电池原理,结合装置图,从而找到解题的突破口。
本题所属考点:【电解池原理】
本题难易程度:【一般】