高考化学知识点整理《无机综合与推断》高频考点特训(2019年练习版)(三)

时间:2019-07-04 00:03:24

微信搜索关注"91考试网"公众号,领30元,获取事业编教师公务员等考试资料40G

1、推断题  水是生命之源,也是化学反应中的主角。试回答下列问题:
I.A、B、C均是中学化学常见的三种短周期元素组成的有色物质,摩尔质量依次增大,它们均能与水发生氧化还原反应,但水既不是氧化剂也不是还原剂,请写出A、B、C与水反应的化学方程式:
(1)A + H2O__________________;
(2)B + H2O__________________;
(3)C + H2O__________________。
II.已知X和Y分别是短周期两种同族元素形成的单质,W、V是化合物,它们有如下变化关系:X+W→Y+V,试写出符合题意,且满足下列关系的化学方程式:
(1)W是水_________;
(2)V是水__________。


参考答案:I:(1)3NO2+H2O=2HNO3+NO;(2)Cl2+H2O=HCl+HClO;(3)2Na2O2+2H2O=4NaOH+O2↑
II:(1)2Na+2H2O=2NaOH+H2↑;(2)O2+2H2S=2S↓+2H2O


本题解析:


本题难度:一般



2、推断题  有一化合物X,其水溶液为浅绿色,可发生如下的转化关系(部分反应物、生成物已略)。其中,B、D、E、F均为无色气体,M、L为常见的金属单质,C为难溶于水的红褐色固体。在混合液中加入BaCl2溶液可生成不溶于稀盐酸的白色沉淀,H和M反应可放出大量的热。请回答下列问题

(1)X的化学式为________,?M的原子结构示意图为________,L在周期表中的位置________?。
(2)写出电解混合液时阳极的的反应式________________
(3)在CuCl2溶液中通入过量的B气体,可观察到的现象是________,写出总的离子反应方程式________________________。
(4)有同学设想用气体F和液态水来生产B,该反应可行?解释之。?
________________________?。
(5)已知E气体在D中完全燃烧生成稳定的化合物时,放出b?kJ的热量,写出该反应的热化学方程式________________________?。


参考答案:(1)(NH4)2Fe(SO4)2;;第四周期Ⅷ?
(2)4OH--4e?-====O2↑+2H2O
(3)溶液变成深蓝色;Cu2++4NH3·H2O===Cu(NH3)42++4H2O
(4)该反应的△H?>0,△S<0,反应在高温情况下能自发进行
(5)H2(g)+1/2O2(g)===H2O(1)△H=?kJ/mol


本题解析:


本题难度:一般



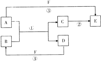
3、简答题  A、B、C、D、E、F六种物质的相互转化关系如图所示(反应条件未标出),其中反应①是置换反应.
91考试网
(1)若A、D、F都是非金属单质,且A、D所含元素同主族,A、D、F所含元素的原子序数之和为28,则F所含元素在周期表中的位置是______;反应①的化学方程式是:______.
(2)若A是生产和生活中使用最多的金属单质,D、F是气态单质,反应①、反应②都在水溶液中进行,则反应②的离子方程式是:______;实验室D在F中安全的进行反应时,④的现象是______.
(3)若B、C、F都是气态单质,且B有毒,③和④两个反应中都有水生成,反应②、③、④都需要一定条件才能发生,A、D相遇有白烟生成,则C的电子式是______;反应③的化学方程式是______.
(4)若A、D为短周期元素单质,且所含元素的原子序数A是D的2倍,所含元素的原子核外最外层电子数D是A的2倍,③和④两个反应中都会生成有颜色的气体,B的结构式是______;反应③的化学方程式是______.


参考答案:(1)短周期元素同主族元素之间的置换反应有多种,如Na→H2,O2→S,C→Si等,若A、D、F都是非金属单质,且A、D所含元素同主族,A、D、F所含元素的原子序数之和为28,则A为C,D为Si,F为O2,O位于周期表第二周期第ⅥA族,反应①为SiO2+2C?△?.? Si+2CO↑,
故答案为:第二周期第ⅥA族;SiO2+2C?△?.? Si+2CO↑;
(2)若A是生产和生活中使用最多的金属单质,应为Fe,D、F是气态单质,应分别为H2、Cl2,C生成E的反应为2Fe2++Cl2=2Fe3++2Cl-,D在F中安全的进行反应时,有苍白色火焰,由于HCl易溶于水,在空气中形成白雾,
故答案为:2Fe2++Cl2=2Fe3++2Cl-;安静的燃烧,苍白色火焰,并有白雾;
(3)若B、C、F都是气态单质,且B有毒,则B为Cl2,为Cl2和NH3的反应,生成N2和HCl,N2的电子式为

91考试网

,NH3和氧气反应生成NO和水,为工业制硝酸的反应,化学方程式为
4NH3+5O2 ?催化剂?.△4NO+6H2O,
故答案为:

91考试网

;4NH3+5O2 ?催化剂?.△4NO+6H2O;
(4)若A、D为短周期元素单质,且所含元素的原子序数A是D的2倍,所含元素的原子核外最外层电子数D是A的2倍,则A为Mg,D为C,为MgO和C的反应,CO2的结构式为O=C=O,
方程式为Mg+4HNO3(浓)=Mg(NO3)2+2NO2↑+2H2O,
故答案为:O=C=O;Mg+4HNO3(浓)=Mg(NO3)2+2NO2↑+2H2O.


本题解析:


本题难度:一般



4、填空题  (10分)甲、乙、丙、丁是四种短周期元素,它们的原子序数依次增大,其中甲和丙、乙和丁分别是同主族元素,又知乙、丁两元素的原子核中质子数之和是甲、丙两元素原子核中质子数之和的2倍,甲元素的一种同位素核内无中子。
(1)写出甲、乙、丙三种元素组成的化合物的电子式________,指出其中含有的化学键的类型_______、_______。
(2)写出乙与丙按原子个数比1:1组成的化合物与水反应的化学方程式_________。
(3)用甲元素的单质与乙元素的单质可以制成电池,电池中装有KOH浓溶液,用多孔的金属惰性电极浸入KOH溶液,两极均有特质的防止透过的隔膜,在A极通入甲的单质,B极通入乙的单质,则A极是该电池的_______极,B极的电极反应式是 ___________?


参考答案:(1)离子键、共价键(2)略(3)负极 O2+4e-+2H2O=4OH-


本题解析:略


本题难度:简单



5、推断题  在一定条件下,下列各物质(均为中学化学常见物质,其中A是淡黄色固体。)可发生如下图所示的变化(反应中生成的水未写出):

请回答下列问题:
(1)固体A是______________(填化学式),A中含有的化学键为______________(填化学键类型)。
(2)反应(Ⅰ)的离子方程式为____________________________;反应(Ⅱ)的化学方程式为____________________________。
(3)H与液体X反应的化学方程式为____________________________;固体B与溶液L反应的离子方程式为____________________________。


参考答案:(1)Na2O2;离子键和共价键
(2)OH-+SO2==HSO3-;SO2+Br2+2H2O==H2SO4+2HBr
(3)SO3+H2O==H2SO4;HSO3-+H+==SO2↑+H2O


本题解析:


本题难度:一般




首页 上页 2 3 4 下页 尾页 3/10/10
微信搜索关注"91考试网"公众号,领30元,获取公务员事业编教师考试资料40G
【省市县地区导航】【考试题库导航】
 ★ 高考省级导航 ★ 
全国 A安徽 B北京 C重庆 F福建 G广东 广西 甘肃 贵州 H河南 河北 湖南 湖北 黑龙江 海南 J江苏 江西 吉林 L辽宁 N内蒙古 宁夏 Q青海 S山东 山西 陕西 四川 上海 T天津 X新疆 西藏 Y云南 Z浙江
 ★ 高考信息汇总 ★ 
 ★ 高考历年真题 ★ 
 ★ 高考历年真题 ★ 
 ★ 高考题库 ★ 
 ★ 高考题库 ★ 

电脑版  |  手机版  |  返回顶部